Advanced Energy AA Series High-Voltage DC-DC Converters
Advanced Energy AA Series High-Voltage DC-DC Converters are 22% smaller than their standard A series counterparts, while producing the same surface-mountability, high reliability, and performance. These single-output high-voltage modules feature a wide input voltage range and provide 4, 20, or 30W of output power. The Advanced Energy DC-DC modules offer indefinite output short-circuit protection and more than 1.25M hour MTBF at 65°C in a fixed-frequency, low-stored-energy design. The AA series is ideal for bias supplies, detectors, piezos, amplifiers, and photomultiplier tubes (PMT).Features
- 22% smaller than standard A series
- Eight models from 0 to 62V through 0 to 6kV
- 4, 20, or 30W of output power
- Maximum Iout capability down to 0V
- Wide input voltage range
- Indefinite output short-circuit protection
- Output current and voltage monitors
- Fixed-frequency, low-stored-energy design
- 1,250,000 hour MTBF at 65°C (149°F)
- UL/cUL recognized component; CE Mark (LVD & RoHS)
Applications
- Bias supplies
- Detectors
- Piezos
- Amplifiers
- Photomultiplier tubes (PMT)
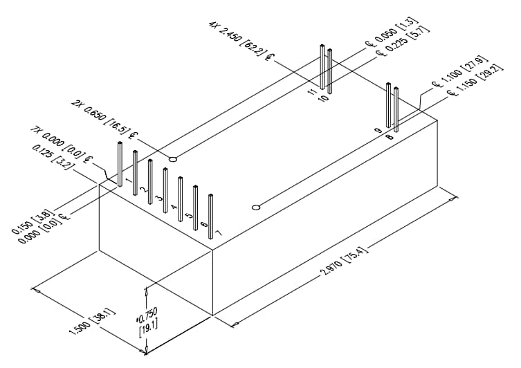
DImensional Drawing
Inilathala: 2018-03-21
| Na-update: 2025-01-31
