Advanced Photonix APX-NG0031QPD/-L InGaAs Photodiodes
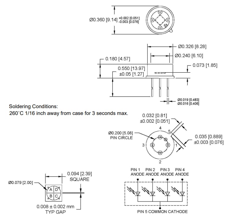
Advanced Photonix APX-NG0031QPD/-L Quadrant InGaAs Photodiodes feature a 2mm diameter and are designed for position sensing, tracking systems, and beam centering. The APX-NG0031QPD detector offers low crosstalk with 10pm gaps between the quadrants and is housed in a hermetic TO-5 package. The APX-NG0031QPD-L is an active area InGaAs quadrant photodetector and encased in a hermetic surface mount leadless chip carrier with an anti-reflective coated window at 1550nm sealed with low outgassing epoxy.Features
- APX-NG0031QPD-L
- Hermetically sealed
- A/R coated window glass at 1550nm
- 0.01mm element gap
- Meets NASA low outgassing standards
- APX-NG0031QPD
- Low noise
- High speed
- 10pm gap between elements
Applications
- Position sensing
- Tracking systems
- Beam centering
Additional Resources
APX-NG0031QPD-L Package Dimensions mm
APX-NG0031QPD Package Dimensions in. (mm)
Inilathala: 2023-05-22
| Na-update: 2023-06-08
