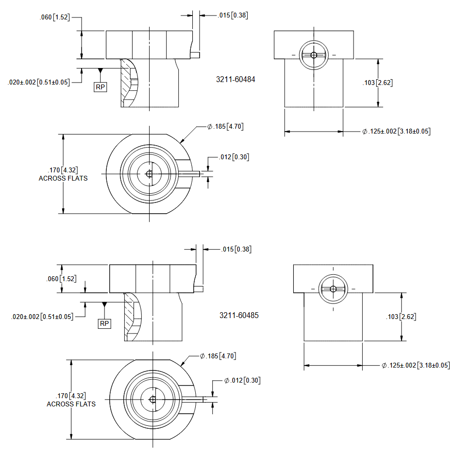
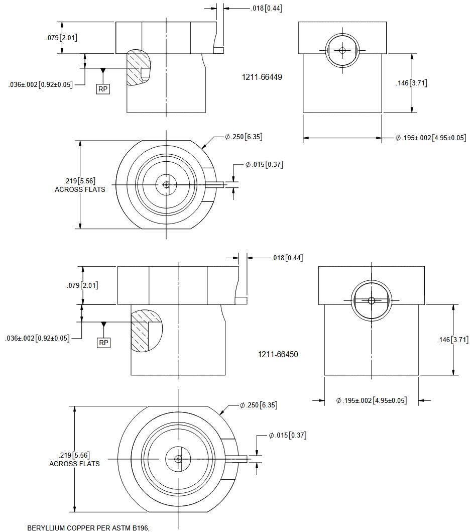
Amphenol / SV Microwave Reverse-Mount Thru-Hole RF PCB Connectors
Amphenol / SV Microwave Reverse-Mount Thru-hole RF PCB Connectors offer superior signal integrity by eliminating via transitions, making the connectors ideal for high-frequency designs. These reverse-mount RF connectors also reduce parasitics, simplify routing, and reduce PCB stackup, improving mechanical integration for modern RF systems. Amphenol / SV Microwave Reverse-Mount Thru-Hole RF PCB Connectors are available in SMP and SMPM series and are rated to work up to 40GHz.Features
- Direct signal path reduces insertion loss and reflections
- Space-saving, low-profile mechanical integration
- Eliminates cable from the top of the PCB
- Clean, predictable impedance transitions
- Up to 26.5GHz (SMP) or 40GHz (SMPM) frequency
- 50Ω impedance
Applications
- RADAR and satellite communications
- Compact modules
- mmWave systems
- 5G
Datasheets
SMP Product Drawings
SMPM Product Drawings
Inilathala: 2025-10-14
| Na-update: 2025-10-23
