Analog Devices Inc. AD633 Four-Quadrant Analog Multiplier
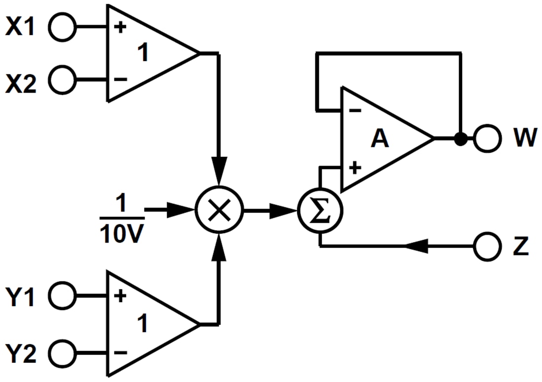
Analog Devices AD633 Four-Quadrant Analog Multiplier includes high impedance, differential X and Y inputs, and a high impedance summing input (Z). The low impedance output voltage is a nominal 10V full scale provided by a buried Zener. The AD633 is the first product to offer these features in modestly priced 8-lead PDIP and SOIC packages. The AD633 is laser calibrated to a guaranteed total accuracy of 2% of full scale. Nonlinearity for the Y input is typically less than 0.1%, and noise referred to the output is typically less than 100μVrms in a 10Hz to 10kHz bandwidth. A 1MHz bandwidth, 20V/μs slew rate, and the ability to drive capacitive loads make the AD633 useful in a wide variety of applications where simplicity and cost are key concerns.The versatility of the AD633 is not compromised by its simplicity. The Z input provides access to the output buffer amplifier, enabling the user to sum the outputs of two or more multipliers, increase the multiplier gain, convert the output voltage to a current, and configure a variety of applications. The AD633 is available in 8-lead PDIP and SOIC packages. It is specified to operate over the 0°C to 70°C commercial temperature range (J Grade) or the -40°C to +85°C industrial temperature range (A Grade).
Features
- 4-quadrant multiplication
- Low-cost, 8-lead SOIC and PDIP packages
- Complete-no external components required
- Laser-trimmed accuracy and stability
- A total error within 2% of full scale
- Differential high-impedance X and Y inputs
- High impedance unity-gain summing input
- Laser-trimmed 10V scaling reference
Applications
- Multiplication, division, squaring
- Modulation/demodulation, phase detection
- Voltage-controlled amplifiers/attenuators/filters
Functional Block Diagram
Inilathala: 2019-05-14
| Na-update: 2024-01-08
