Analog Devices Inc. AD8410ARx Evaluation Boards
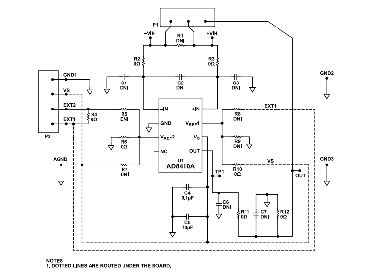
Analog Devices Inc. AD8410ARx Evaluation Boards are platforms for evaluating the performance of the AD8410A current-sense amplifier. These boards are designed for easy configuration of different modes of operation and enable flexibility with loads. A shunt resistor (R1), with a maximum standard size of 2818, can be soldered to the board. The AD8410AR-EVALZ boards accommodate the AD8410A in a standard small outline package (SOIC_N). The AD8410ARM-EVALZ accommodates the AD8410A in a mini small outline package (MSOP).Features
- Enables quick breadboarding and prototyping
- Easily configurable for unidirectional or bidirectional operation
- Includes provision for current-sense shunt resistor
- Easy connection to test equipment
- Includes provisions for an input filter and an output filter
- Decoupled supply line
Schematic
Overview
Inilathala: 2023-03-31
| Na-update: 2025-01-27
