Analog Devices Inc. ADL6331-EVALZA Evaluation Board
Analog Devices ADL6331-EVALZA Evaluation Board features manual control of the ADL6331 via the USB port on a Microsoft® Windows® PC through an SDP-S interface board, which is sold separately. The ADI ADL6331 transmit variable gain amplifier (TxVGA) provides an interface from RF digital-to-analog converters (RF DACs) to a single-ended power amplifier (PA) signal chain. The ADL6331-EVALZA Evaluation Board is fully featured with an easy-to-use interface with ACE software.Features
- Full-featured evaluation board for the ADL6331-EVALZA
- Single-supply operation
- Easy to use interface with Analysis | Control | Evaluation (ACE) software
Required Equipment
- 3.3V DC power supply
- EVAL-SDP-CS1Z (SDP-S)
- Signal generator
- Spectrum analyzer
- Network analyzer (optional)
- Microsoft Windows PC with a USB port
Software
- ACE software
- ACE ADL6331 plugin software
Typical Measurement Setup
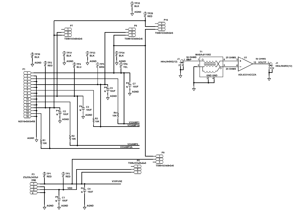
Schematic
Layout
Inilathala: 2024-05-07
| Na-update: 2024-06-25
