Analog Devices Inc. ADPD188GG Integrated Optical Module
Analog Devices ADPD188GG Integrated Optical Module is a complete photometric system designed to measure optical signals from ambient light and from synchronous reflected light emitting diode (LED) pulses. Synchronous measurement offers best-in-class rejection of ambient light interference, both DC and AC. The module integrates a highly efficient photometric front end, two LEDs, and two photodiodes (PD). All of these items are housed in a custom package that prevents light from going directly from the LED to the photodiode without first entering the subject.Features
- 3.8mm × 5.0mm × 0.9mm module with integrated optical components
- 2 green LEDs, 2 PDs with IR cut filter
- 2 external sensor inputs
- 3 370mA LED drivers
- 20-bit burst accumulator enabling 20 bits per sample period
- An onboard sample to sample accumulator enabling up to 27 bits per data read
- Custom optical package made to work under a glass window
- Optimized SNR for signal limited cases
- I2C or SPI communications
Applications
- Optical heart rate monitoring
- Reflective SpO2 measurement
- CNIBP measurement
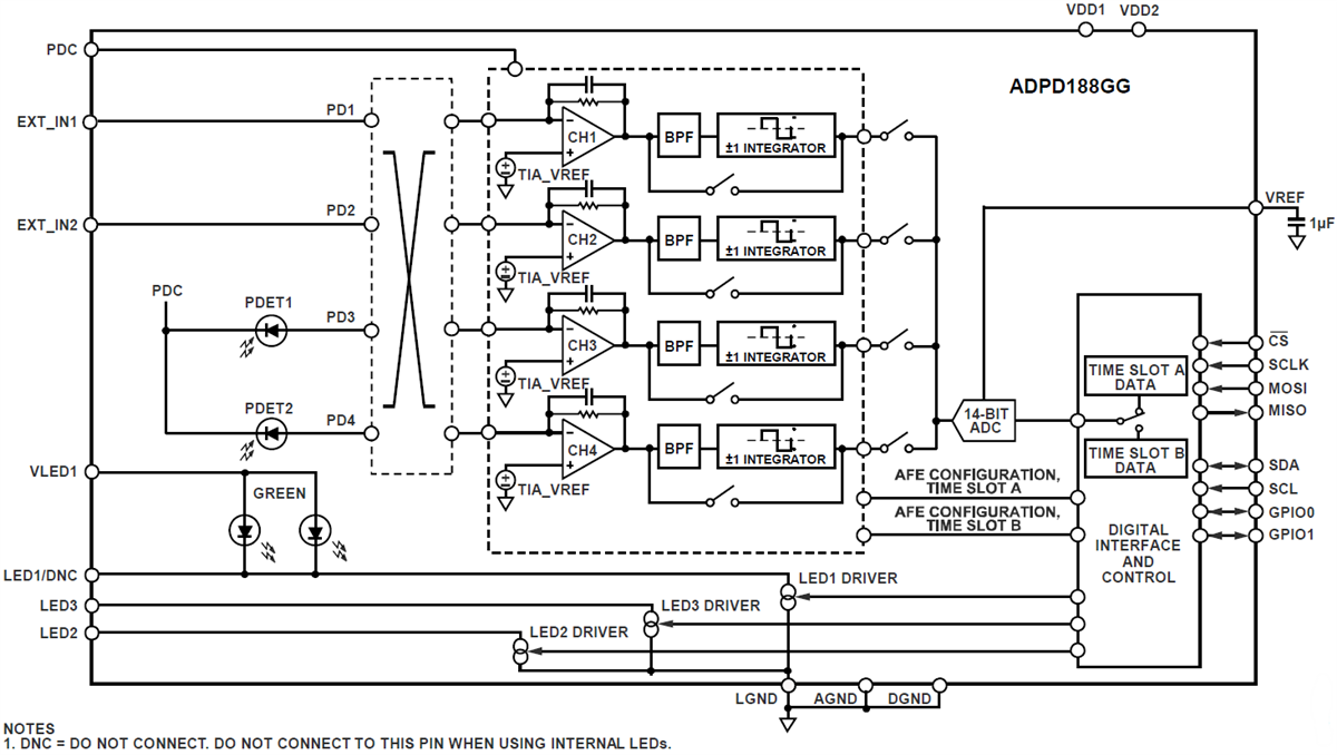
Functional Block Diagram
Videos
Inilathala: 2018-10-08
| Na-update: 2023-08-29
