Analog Devices Inc. ADPL13602 Synchronous Step-Down DC-DC Converters
Analog Devices Inc. ADPL13602 Synchronous Step-Down DC-DC Converters are high-efficiency components with integrated MOSFETs operating over an input-voltage range of 3.5V to 36V. The 16-pin (3mm x 3mm) TQFN-EP packaged ADPL13602 can deliver up to 2.4A current. Output voltage is programmable from 1V up to 90% of VIN. Built-in compensation across the output-voltage range eliminates the need for external compensation components.The ADI ADPL13602 features a peak-current-mode control architecture. The ADPL13602 can be operated in forced pulse-width modulation (PWM) or discontinuous conduction mode (DCM) to enable high efficiency under full- and light-load conditions. ADPL13602 offers a low minimum on-time that allows high switching frequencies and smaller solution sizes. The device provides ±1.5% feedback-voltage regulation accuracy over a -40°C to +125°C range.
Features
- Reduces external components and total cost
- No Schottky-synchronous operation
- Internal compensation components
- All-ceramic capacitors, compact layout
- Reduces the number of DC-DC regulators to stock
- Wide 3.5V to 36V input
- Adjustable output voltage range from 1V up to 90% of VIN
- Delivers up to 2.4A over the temperature range
- 400kHz to 1.5MHz adjustable frequency range
- Reduces power dissipation
- Peak efficiency of 95%
- Wide 2.4V to 12V bootstrap bias input (EXTVCC) for improved efficiency
- Operates reliably in adverse industrial environments
- Hiccup-mode overload protection
- Adjustable and monotonic startup with pre-biased output voltage
- Built-in output-voltage monitoring with RESET
- Programmable EN/UVLO threshold
- Wide industrial -40°C to +125°C ambient operating temperature range or -40°C to +150°C junction temperature range
Applications
- Industrial control power supplies
- Distributed supply regulation
- Wall transformer regulation
- High-voltage, single-board systems
Simplified Application Diagram
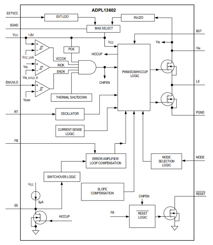
Block Diagram
Inilathala: 2024-02-26
| Na-update: 2025-05-15
