Analog Devices Inc. ADRF5549-EVALZ Evaluation Board
Analog Devices Inc. ADRF5549-EVALZ Evaluation Board is designed to evaluate ADRF5549 Dual-Channel RF Front-End Modules (FEMs). This Analog Devices evaluation board features an easy connection to test the equipment and a through-line for calibration. The ADRF5549-EVALZ board operates at a frequency range of 1.8GHz to 2.8GHz and at a supply voltage of 5V.Features
- Evaluates ADRF5549 Dual-Channel RF FEMs
- Easy connection to test equipment
- Through-line for calibration
Additional Resource
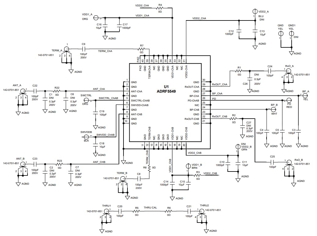
Schematic
Inilathala: 2019-11-27
| Na-update: 2024-02-26
