Analog Devices Inc. EVAL-CN0422-EBZ Circuit Evaluation Board
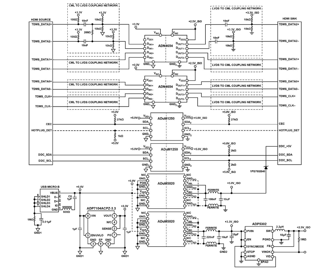
Analog Devices Inc. EVAL-CN0422-EBZ Circuit Evaluation Board offers galvanic isolation of the HDMI 1.3a protocol using iCoupler® isolation technology. iCoupler technology isolates the low voltage differential signaling (LVDS) physical layer at data rates over 1Gbps, reducing complexity in systems requiring isolation and high bandwidth. The EVAL-CN0422-EBZ Circuit provides a completely isolated connection between a High-Definition Multimedia Interface (HMDI) source and an HDMI sink device. Isolation in this circuit increases system safety and robustness by protecting against electrical line surges. The isolation also breaks the ground connection between the bus and digital pins, removing possible ground loops within the system.Features
- Support HDMI 1.3 at 720p/60Hz
- 2500V galvanic isolation
- Powered through USB
- iCoupler isolation technology
Videos
Block Diagram
Additional Resources
Inilathala: 2019-10-30
| Na-update: 2024-04-26
