Analog Devices Inc. EVAL-CN0561-ARDZ Data Acquisition (DAQ) System
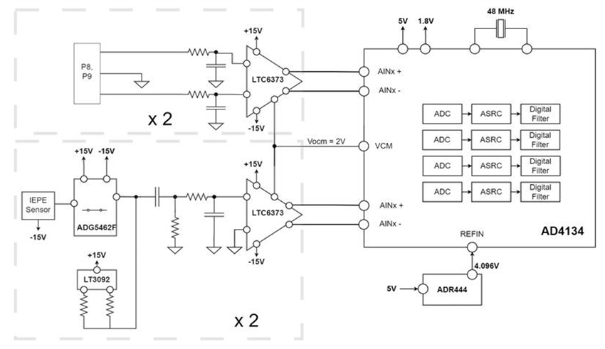
Analog Devices EVAL-CN0561-ARDZ Data Acquisition (DAQ) System is a high-performance, alias-free, 24-bit, quad-channel system designed for interfacing with Integrated Electronics Piezoelectric (IEPE) sensors. Built around the AD4134 precision ADC, this system offers wide bandwidth and high dynamic range, ideal for vibration sensing and condition-based monitoring applications. The Analog Devices EVAL-CN0561-ARDZ supports AC-coupled measurements from DC to 390kHz, enabling detailed frequency-domain analysis for fault detection and predictive maintenance. The board integrates key components such as the LTC6373 programmable-gain amplifier and the ADR444 voltage reference, and includes robust fault protection circuitry. With compatibility for both Arduino and FMC connectors, the EVAL-CN0561-ARDZ is versatile for integration into various development platforms, including FPGA-based systems.Features
- Alias-free quad channel data acquisition
- Alias-free dual IEPE-compatible vibration sensor interface
- Channel-independent excitation source and sensor bias
- Analog Overvoltage and Undervoltage Protection (OVP and UVP)
- Sensor frequency response from DC up to 390kHz
- Synchronized, full-bandwidth data measurement and capture
- Data acquisition solution fully characterized over -40°C to +85°C
- Throughput of up to 1496kSPS
- Alias-free and resistive inputs, no low-pass filter or driver required
- Powered and interfaced directly through an Arduino-compatible development board
Applications
- Industrial automation and control systems
- Power grid and energy monitoring
- Medical instrumentation
- Vibration and acoustic analysis
- Scientific research and lab instrumentation
- Embedded system prototyping and evaluation
Required Equipment
- NUCLEO-H563ZI board
- IIO Oscilloscope Software
- USB Type-C® to USB cable
- Precision AC source
Simplified Signal Chain Schematic
Hardware Connection
Inilathala: 2025-07-31
| Na-update: 2025-08-06
