Analog Devices Inc. EVAL-LT7171 Evaluation Boards
Analog Devices Inc. EVAL-LT7171 Evaluation Boards are designed to evaluate the LT7171/LT7171-1 monolithic PolyPhase DC/DC synchronous step-down regulators. These evaluation boards are ideal for 1V output with a switching switching frequency set at 1MHz. The EVAL-LT7171 boards feature a 2.9V to 16V input voltage range, 40A maximum continuous output current, and 1V default output voltage. These evaluation boards operate up to default settings and generate power based on the NVM configuration without serial bus communication.Features
- LT7171/LT7171-1 monolithic PolyPhase DC/DC synchronous step-down regulators
- 1V default output voltage
- 0.925MHz to 1.075MHz switching frequency range
- 40A maximum continuous output current
- 2.9V to 16V input voltage range
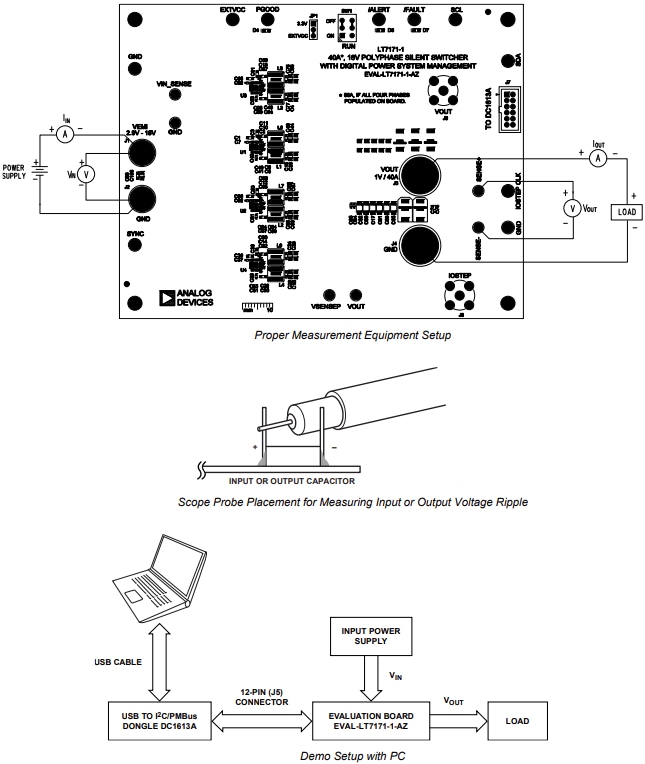
Evaluation Board Set-Up
Performance Graph
Datasheets
Inilathala: 2024-07-15
| Na-update: 2024-07-29
