Analog Devices Inc. HMC7586 I/Q Downconverter
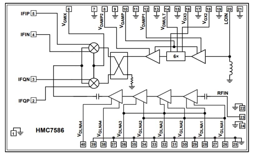
Analog Devices HMC7586 I/Q Downconverter is an integrated E-band GaAs, MMIC In-phase/Quadrature (I/Q) downconverter chip. The HMC7586 downconverter operates at a frequency band of 71GHz to 76GHz providing a small-signal conversion gain of 12.5dB (typical). This device uses a low noise amplifier followed by an image rejection mixer, driven by a 6 x LO multiplier. The HMC7586 downconverters feature differential I and Q mixer outputs for direct conversion applications.Features
- Conversion gain is 12.5dB (typical)
- Image rejection is 28dBc (typical)
- Noise figure is 5dB (typical)
- Input power for 1dB compression (P1dB) is -9dBm (typical)
- Input third-order intercept (IP3) is -1dBm (typical)
- Input second-order intercept (IP2) is 20dBm (typical)
- 6 x Local Oscillator (LO) leakage at RFIN is -40dBm (typical)
- 1 x LO leakage at IFOUT is -50dBm (typical)
- Radio Frequency (RF) return loss is 5dB (typical)
- LO return loss is 20dB (typical)
- Die size is 3.599mm x 2.199mm x 0.05mm
Applications
- E-band communication systems
- High capacity wireless backhauls
- Test and measurement
Functional Block Diagram
Inilathala: 2016-10-11
| Na-update: 2022-03-11
