Analog Devices Inc. HMC985A GaAs Voltage Variable Attenuators
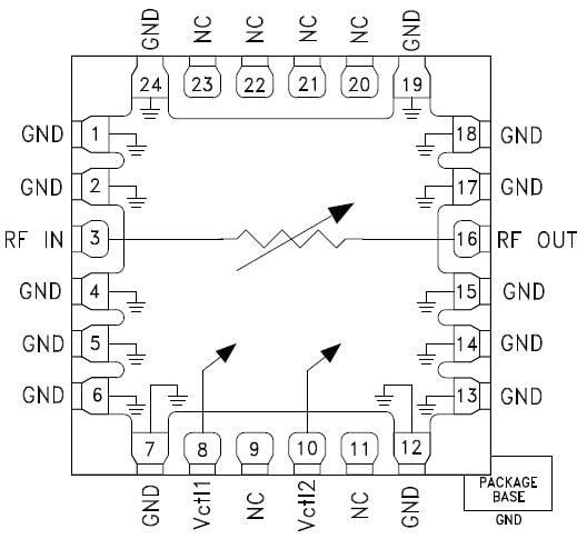
Analog Devices Inc. HMC985A Attenuators are absorptive GaAs MMIC Voltage Variable Attenuators (VVA) capable of operating from 10GHz to 50GHz. The attenuators are ideal for applications in which an analog DC control signal is used to control RF signal levels over a 35dB to 40dB dynamic range. HMC985A from Analog Devices includes two shunt-type attenuators controlled by two analog voltages, Vctl1 and Vctl2. Adjusting the Vctl1 of the first attenuation stage from -5V to 0V with Vctl2 fixed at -5V achieves excellent linearity performance at +32dB Input IP3. Connecting the Vctrl1 and Vctrl2 pins enable the attenuators to deliver the full analog attenuation range with only a small degradation in input IP3 performance.Features
- Wide Bandwidth
- 10GHz to 40GHz (HMC985ALP4KE)
- 20GHz to 50GHz (HMC985A)
- +32dB input IP3 linearity
- 35dB attenuation range
- No external matching
- Package Size
- 24-lead 4mm x 4mm SMT package
- 2.78mm x 1.41mm x 0.1mm (HMC985A) die size
Applications
- Point-to-point radio
- VSAT radio
- Test instrumentation
- Microwave sensors
- Military, ECM, and radar
Functional Block Diagram
Inilathala: 2017-07-12
| Na-update: 2022-04-18
