Analog Devices Inc. LT8292 4-Switch Synchronous Buck-Boost Controllers
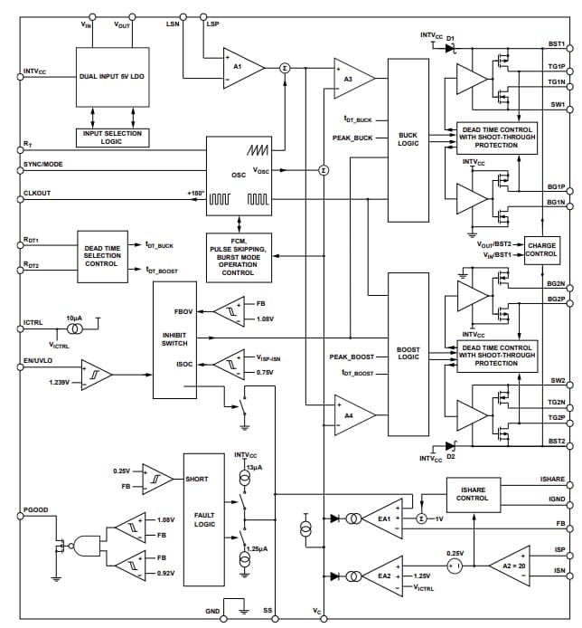
Analog Devices Inc. LT8292 4-Switch Synchronous Buck-Boost Controllers regulate output or input current from an input voltage below, above, or equal to the output voltage. These controllers include a proprietary buck-boost peak current mode architecture that allows adjustable and phase-lockable 100kHz to 650kHz fixed frequency operation. The peak current mode architecture also allows internal spread spectrum operation for low Electromagnetic Interference (EMI). The LT8292 controllers feature split pull-up/pull-down gate drivers, leaderless current sharing, and four selectable dead time settings with shoot-through protection. These controllers are automotive qualified and are used in telecom systems, high-power battery-powered systems, and general-purpose buck-boost power supplies.Features
- 4-switch single inductor architecture allows VIN above, below, or equal to VOUT
- Proprietary buck-boost peak current mode
- 30µA IQ low ripple burst mode
- 1V≤VOUT≤60V ±2% output voltage accuracy
- 100kHz to 650kHz adjustable and phase-lockable
- Forced continuous mode or pulse-skipping operation
- ±5% input or output average current accuracy
- Split gate driver outputs
- Selectable dead time settings
- Leaderless current sharing
- Spread spectrum frequency modulation
- Integrated bootstrap diodes
- VOUT disconnected from VIN during shutdown
- 38-Lead Thin Shrink Small Outline Package (TSSOP) with exposed pad
- Automotive qualified
Applications
- Automotive, industrial, and telecom systems
- General-purpose buck-boost power supplies
- High-power battery-powered systems
Block Diagram
Typical Application Circuit Diagram
Inilathala: 2025-01-28
| Na-update: 2025-03-12
