Analog Devices Inc. LTC2672 Evaluation Board (DC2903A)

Analog Devices Inc. LTC2672 Evaluation Board (DC2903A) is a demonstration and development platform for the LTC2672 16-Bit Digital-to-Analog Converter. The LTC2672 is a five-channel, current-source output DAC with selectable output ranges, precision reference, and a multiplexer for surveying the channel output voltages and currents. The LTC2672 is used for various current-mode biasing applications such as tunable lasers or resistive heaters. The output current ranges are software selectable, and each channel is routed to the DC2903A MUX pin for external monitoring.

The DC2903A features a pre-mounted LTC2672 DAC in a compact LFCSP32 package, along with test posts for all key signals. The DC2903A is controlled through a serial peripheral interface (SPI) from the J1 connector, which is intended to be connected to the Linduino® One DC2026C Demonstration Board. The Linduino One is an Arduino-compatible board that can connect to a Windows-based PC via a USB cable. The QuikEval Evaluation Software can then be used to provide an intuitive Graphical User Interface (GUI) that configures and controls the LTC2672 using the SPI interface.

Features

  • LTC2672 16-Bit, 5-Channel Digital-to-Analog Converter
  • Designed to work with the Linduino One (DC2026C) Demonstration Board
  • QuikEval GUI evaluation software compatible
  • Test posts for all key signals
  • 14-pin SPI interface connector
  • Configuration jumpers
    • Current-source outputs (VDD0 to VDD4)
    • Internal or external reference (REF SEL)
    • Full-Scale Current Adjust Pin (FSADJ)

Kit Contents

  • DC2903A Evaluation Board
  • Ribbon cable to connect to the Linduino One (DC2026C) Demonstration Board

Required Equipment

  • Linduino One (DC2026C) Demonstration Board (must be purchased separately)
  • QuikEval Evaluation Software
  • Windows-based PC 
  • Current meter

Software

The LTC2672 Evaluation Board (DC2903A) is designed to be used with the Linduino One (DC2026C) Demonstration Board (not included) and the QuikEval Evaluation Software. All configuration and measurement data can be written and read through the QuikEval interface, which provides a convenient way to evaluate the LTC2672 DAC. Sample Arduino code and Design and Integration Files are also available.

Setup Example

Analog Devices Inc. LTC2672 Evaluation Board (DC2903A)

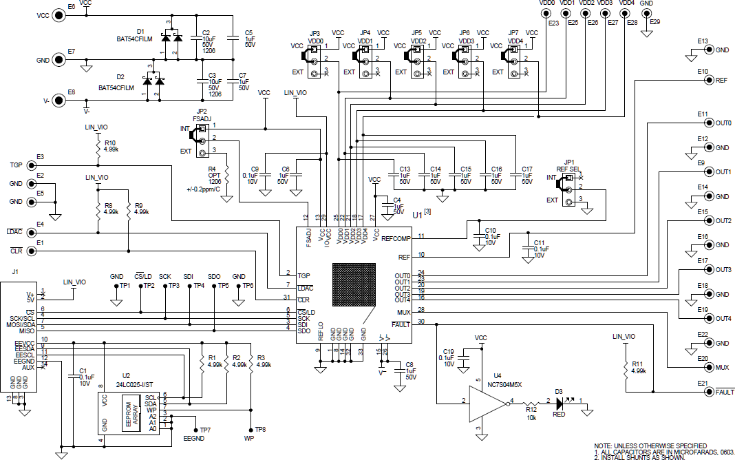
Schematic Diagram

Schematic - Analog Devices Inc. LTC2672 Evaluation Board (DC2903A)
Inilathala: 2021-03-19 | Na-update: 2022-03-11