Analog Devices / Maxim Integrated MAX14912EVKIT & MAX14913EVKIT Evaluation Kit
Analog Devices MAX14912EVKIT/MAX14913EVKIT Evaluation Kit provides a proven design to evaluate the MAX14912 or MAX14913 octal digital output driver. The Analog Devices evaluation kit includes an evaluation board and a graphical user interface (GUI) communicating from a PC to the target device through a USB port. The evaluation kit includes Windows 7, Windows 8 and Windows 10 compatible software for exercising the features of the IC. The evaluation kit GUI allows controlling the MAX14912/MAX14913 in either Parallel Mode or Serial (SPI) Mode. When fully loaded, the evaluation kit must be powered from an external +24V power supply and can consume up to 10A. The MAX14912EVKIT/MAX14913EVKIT comes with a MAX14912AKN+, or MAX14913AKN+ installed in a 56-pin, 8mm x 8mm TQFN-EP package.Features
- Robust operation with a wide range of input voltages and load conditions
- SPI Interface with up to 20MHz clock rate
- Parallel Interface with up to 200kHz switching Rate
- Manual Control in Parallel Mode
- Wide Logic Voltage Range
- -40°C to 125°C Temperature Range
- On-Board LED Indication of Status and Fault Conditions
- Daisy-Chain Capability
- Reverse-Voltage Protection
- Proven PCB Layout
- Fully Assembled and Tested
- Windows® 7, Windows 8, and Windows 10
- Compatible Software
Kit Contents
- +24V power supply
- Voltmeter (optional)
- Oscilloscope (optional)
- PC with installed Windows 7, Windows 8, or Windows 10, and USB port
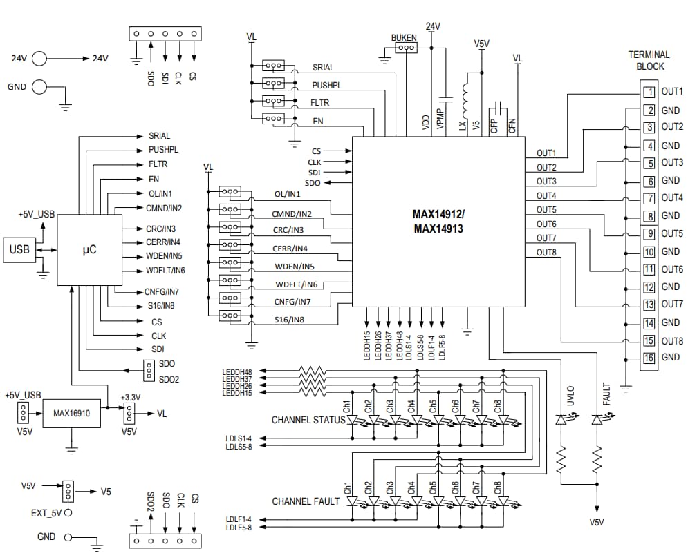
MAX14912/MAX14913 System Block Diagram
Inilathala: 2017-02-27
| Na-update: 2023-04-11
