Analog Devices / Maxim Integrated MAX20446 & MAX20446B 6-Channel Backlight Drivers
Analog Devices Inc. MAX20446 and MAX20446B 6-Channel Backlight Drivers have a boost controller for automotive displays. The integrated current outputs can sink up to 130mA LED current each. The devices accept a wide 4.5V to 36V input voltage range and withstand direct automotive load-dump events. The internal current-mode switching DC-DC controller supports boost or SEPIC topologies and operates from 400kHz to 2.2MHz. The integrated spread spectrum helps reduce EMI. An adaptive output-voltage control scheme minimizes power dissipation in the LED current-sink paths. The devices feature an I2C-controlled pulse-width modulation (PWM) dimming and hybrid dimming. ADI MAX20446 and MAX20446B 6-Channel Backlight Drivers' minimum pulse width is 500ns. Phase-shifted dimming of the strings is incorporated for lower EMI.Features
- Wide-voltage-range operation
- Operates down to 4V supply after startup
- Survives load dump up to 52V
- High integration
- A complete 6-channel solution including boost controller
- I2C control for minimum parts count
- Robust and low EMI
- Spread-spectrum oscillator
- Phase-shifting
- 400kHz to 2.2MHz switching-frequency range
- Fail-safe operation mode using the FSEN pin
- Versatile dimming scheme allows hybrid or PWM-only dimming using DIM input or I2C
- Dimming ratio >10000:1 using hybrid dimming
- 10000:1 dimming ratio at 200Hz using PWM dimming
- Complete diagnostics
- LED open/short detection and protection
- Boost output undervoltage and overvoltage
- Boost voltage
- Individual string LED current
- Thermal shutdown
- Compact (4mm x 4mm) 24-Pin TQFN package
Applications
- Central information displays
- Infotainment displays
- Instrument clusters
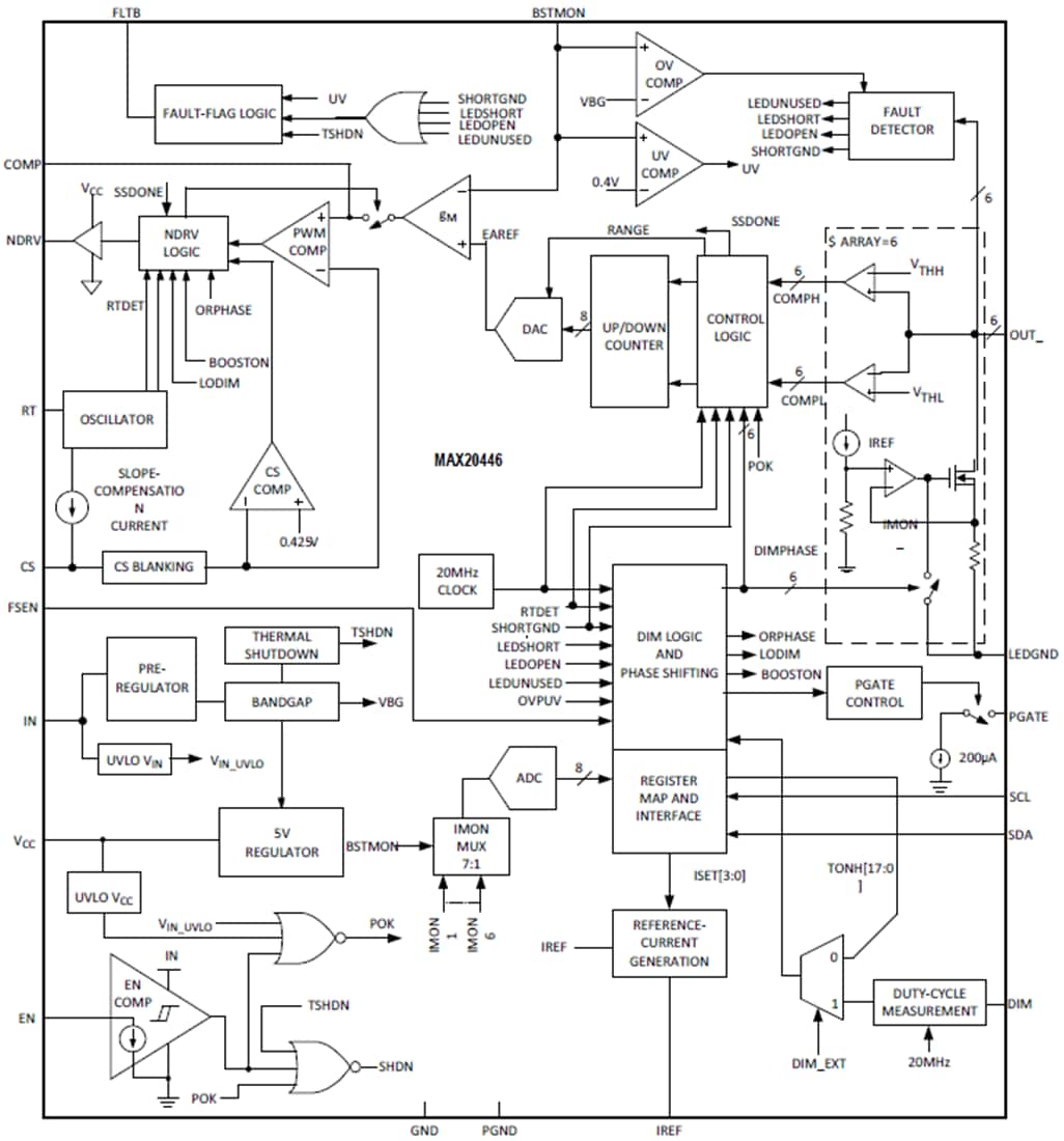
Functional Diagram
Videos
Inilathala: 2019-11-22
| Na-update: 2023-05-04
