Analog Devices / Maxim Integrated MAX22191EVKIT Evaluation Kit
Analog Devices Inc. MAX22191EVKIT Evaluation Kit is a fully assembled and tested circuit board designed to evaluate the full functionality of the MAX22191 digital input (DI) device. This evaluation kit features two circuits, one for a 24V digital input signal and the other one for a 48V input signal. ADI MAX22191EVKIT evaluates the MAX22191 isolator in either current sinking or current sourcing configurations. The interface development evaluation kit offers a proven PCB layout.Features
- 24V and 48V circuits for easy evaluation
- Proven PCB layout
- Fully assembled and tested
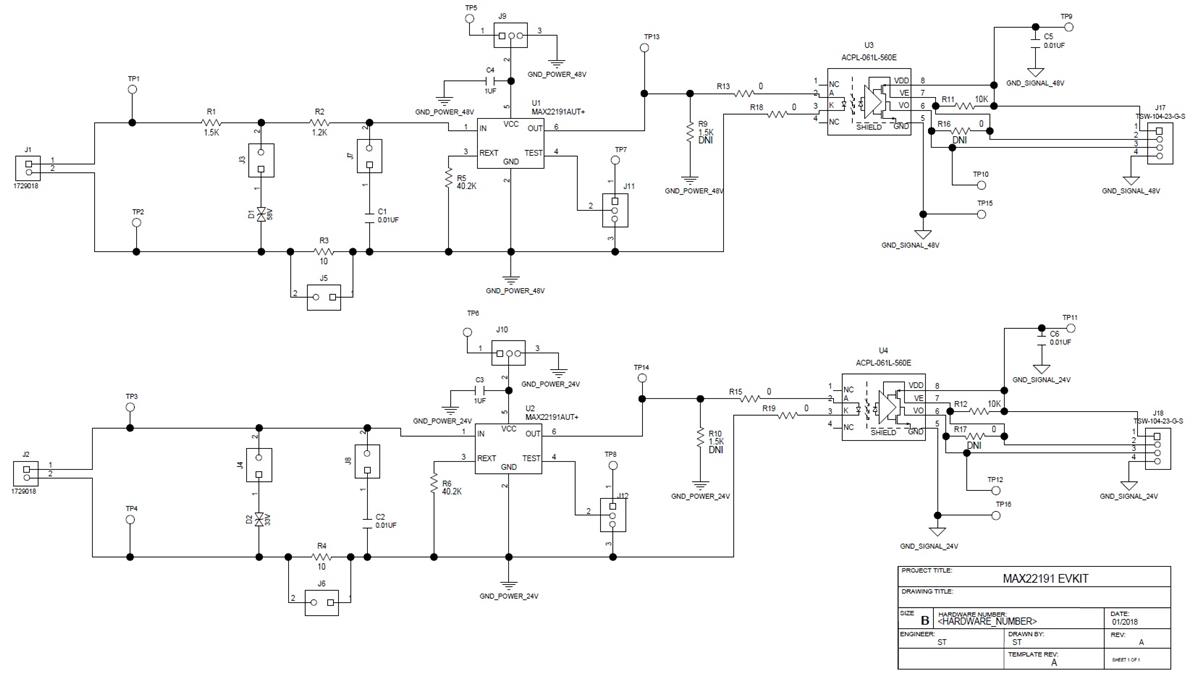
Schematic
Inilathala: 2018-06-12
| Na-update: 2023-04-12
