Analog Devices / Maxim Integrated MAX25254 8A Synchronous Buck Converters
Analog Devices MAX25254 8A Synchronous Buck Converters are integrated high-side and low-side switches. The ICs deliver up to 8A per channel with input voltages from 3V to 36V. These Analog Devices converters use only 12μA quiescent current at no load. Voltage quality can be monitored by observing the PGOOD signals.Features
- Dual buck converter
- Wide input range from 3.0V to 36V (42V, max)
- Low shutdown supply current (6.5µA, max)
- Low operating quiescent current with one channel ON (12µA, typ)
- Programmable VOUT from 0.8V to 14V
- Up to 8A per channel
- 180° out-of-phase operation between two converters
- 24ns (typ) minimum on-time
- Dual/quad phase operation
- Ability to operate two ICs in parallel for quad-phase operation
- ±10% current sharing accuracy
- Supports up to 16A in dual-phase and 32A in quad-phase
- Diagnostics and redundant circuits (MAX25255)
- ASIL B compliant
- Redundant reference
- Die temperature monitor
- Precision overvoltage and undervoltage protection
- General
- 23-Pin, 4.50mm x 5.75mm FC2QFN package
- -40°C to +125°C operating ambient temperature
- AEC-Q100 rating
- 200kHz, 400kHz, 1MHz, or 2MHz switching frequency options
- Spread spectrum
Applications
- Front-end power supply for head units
- ASIL
- General-purpose dual buck converters
- Telematics modules
- Front camera power
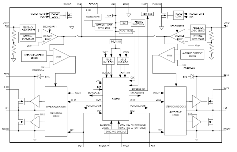
Block Diagram
Inilathala: 2022-11-29
| Na-update: 2023-04-13
