Analog Devices / Maxim Integrated MAX40023/MAX40024 Single & Dual Amplifiers
Analog Devices MAX40023/MAX40024 Single & Dual Amplifiers are optimized for power-sensitive applications that require low noise and very low-leakage input current (bias current). The amplifiers consume less than 17µA (typ) of supply current per channel. They also feature incredibly low noise as low as 32nV/√Hz. The input bias current is <1pA at room temperature.Features
- Ultra-low <1pA input bias current
- Low 17μA quiescent current (per op-amp)
- Low 32nV/√Hz input-voltage noise
- Internal EMI rejection
- 1.6V to 3.6V supply voltage range
- Power-saving shutdown mode
- Available in 6-bump WLP and 6-pin SOT23 (single) and 9-bump WLP and 10-pin TDFN (dual)
Applications
- Wearable medical
- Industrial sensors
- Battery-powered devices
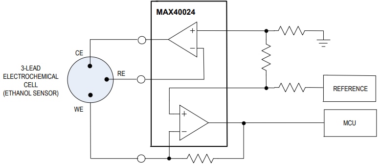
Block Diagram
Inilathala: 2021-07-07
| Na-update: 2023-04-10
