Pesos Incoterms:FCA (Punto ng Shipping) Kinokolekta ang mga bayarin sa duty, customs at buwis sa oras ng paghahatid. Libreng shipping sa karamihan ng mga order na higit sa ₱2,000 (PHP)
Mga US Dollar Incoterms:FCA (Punto ng Shipping) Kinokolekta ang mga bayarin sa duty, customs at buwis sa oras ng paghahatid. Libreng shipping sa karamihan ng mga order na higit sa $50 (USD)
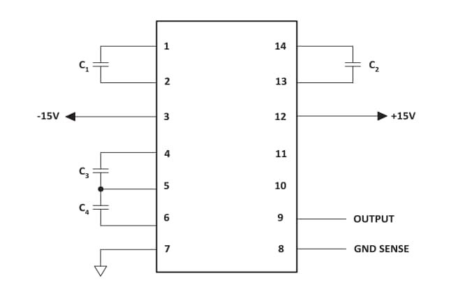
Apex Microtechnology SWR200 Precision Sine Wave Reference provides a stable +7.071V at ±0.5% sine wave output and a 20ppm/°C temperature coefficient over the full military temperature range. Extreme accuracy is achieved by a chopper-based AGC circuit. The temperature characteristic of the chopper circuit compensates for the typical nonlinearity of the internal DC Zener reference, resulting in a near-linear amplitude-temperature characteristic. The frequency of the Apex Microtechnology SWR200 is programmable with two external capacitors.
Features
+7.071VRMS, ±0.5% high accuracy
20ppm/°C (-55°C To +125°C) low drift
10ppm/1000 hours typical excellent stability
0.1% THD @ f = 3300Hz low distortion
Military processing option
Applications
Transducer excitation
High-resolution servo systems
High-precision test and measurement instruments
AC voltage standard
LVDT or RVDT reference
Multiplying D/A reference
Typical Connection
Related Products
Apex Microtechnology VRE102 Ultrastable ±10V Output Voltage Reference
Provides a ±1.0mV initial accuracy and a 1.09 ppm/°C temperature coefficient.