Apogee Semiconductor AP54RHC301 Rad-Hard Dual 3-Input Majority Voters
Apogee Semiconductor AP54RHC301 Rad-Hard Dual 3-Input Majority Voters are designed for space, medical imaging, and other applications requiring radiation tolerance and high reliability. The radiation-hardened by design AP54RHC301 Dual 3-Input Majority Voters are fabricated in a 180nm CMOS process. These voters deliver high resiliency to single-event effects (SEE) and to a total ionizing dose (TID) up to 30krad (Si). The AP54RHC301 is available in an SMD TSSOP-14 package with an extended operating temperature range of -55°C to 125°C. These voters are designed for space, medical imaging, and other radiation tolerance applications.The AP54RHC301 Rad-Hard Dual 3-Input Majority Voters are part of the AP54RHC logic family operating across a voltage supply range of 1.65VDC to 5.5VDC. These voters support zero-power penalty™, cold-sparing, and Class 2 ESD protection on all inputs and outputs. A proprietary output stage and full power-on reset (POR) circuit allow the AP54RHC301 to be cold-spared in any redundant configuration with no static power loss on any device pad.
Rad-Hard Overview
Apogee Semiconductor creates Radiation Hardened (Rad-Hard) semiconductor devices for Rad-Hard and extreme Single Event Effects (SEE, SET, SEU, SEL) fields; from Space (QML-V, QML-S) to MEO, LaGrange, LEO, Atmospheric to Downhole applications. These devices are also compatible with all aerospace, defense, military, and naval applications having a full Mil-Temp range of -55°C to +125°C. Apogee is a turnkey mixed-signal ASIC (MS-ASIC) capable firm with secure capabilities, and all Apogee products can be produced with ITAR and CONUS flows.
Features
- 1.65VDC to 5.5VDC operation
- Inputs tolerant up to 5.5VDC at any VCC
- Provides logic-level down translation to VCC
- Extended operating temperature range (-55°C to 125°C)
- Proprietary cold-sparing capability with zero static power penalty
- Built-in triple redundancy for enhanced reliability
- Internal power-on reset (POR) circuitry ensures reliable power-up and power-down responses during hot plug and cold-sparing operations
- Class 2 ESD protection (4000V HBM, 500V CDM)
- TID resilience of 30krad (Si)
- SEL resilient up to LET of 80MeV-cm2/mg
Applications
- Space
- Medical imaging
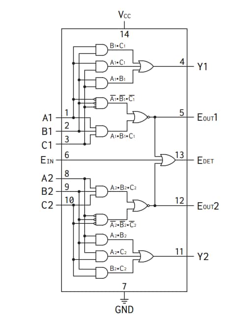
LOGIC DIAGRAM
Voter application example
Cold sparing example
| Numero ng Piyesa | Datasheet | Paglalarawan | Dami ng Output Line | Mababang Antas na Output Current | Mataas na Antas na Output Current | Propagation Delay Time | Supply Voltage - Min | Supply Voltage - Max | Dami ng Gate | Dami ng Input Line |
|---|---|---|---|---|---|---|---|---|---|---|
| AP54RHC301ELT-R | ![]() |
Logic Gates LEO Dual 3-input RelBridge E-Grade SnPb TSSOP14 Tape and Reel | 4 Output | 24 mA | - 24 mA | 50 ns | 1.65 V | 5.5 V | 2 Gate | 4 Input |
| AP54RHC301ALT-R | ![]() |
Logic Gates LEO Dual 3-input RelBridge A-Grade SnPb TSSOP14 Tape and Reel | 4 Output | 24 mA | - 24 mA | 50 ns | 1.65 V | 5.5 V | 2 Gate | 4 Input |
| AP54RHC301CLT-R | ![]() |
Logic Gates LEO Dual 3-input RelBridge C-Grade SnPb TSSOP14 Tape and Reel | 2 Output | 24 mA | - 24 mA | 25 ns | 1.65 V | 5.5 V | 2 Gate | 6 Input |
| AP54RHC301ANT-J | ![]() |
Logic Gates LEO Dual 3-input RelBridge A-Grade NiPdAu TSSOP14 JEDEC tray | 4 Output | 24 mA | - 24 mA | 50 ns | 1.65 V | 5.5 V | 2 Gate | 4 Input |
| AP54RHC301BNT-J | ![]() |
Logic Gates LEO Dual 3-input RelBridge B-Grade NiPdAu TSSOP14 JEDEC tray | 4 Output | 24 mA | - 24 mA | 50 ns | 1.65 V | 5.5 V | 2 Gate | 4 Input |
| AP54RHC301ENT-J | ![]() |
Logic Gates LEO Dual 3-input RelBridge E-Grade NiPdAu TSSOP14 JEDEC tray | 4 Output | 24 mA | - 24 mA | 50 ns | 1.65 V | 5.5 V | 2 Gate | 4 Input |
| AP54RHC301NEVMLT-R | ![]() |
Logic Gates LEO Dual 3-input RelBridge NEVMLT-R | 2 Output | 24 mA | - 24 mA | 25 ns | 1.65 V | 5.5 V | 2 Gate | 6 Input |

