Asahi Kasei Microdevices CZ3Ax Coreless Current Sensor ICs
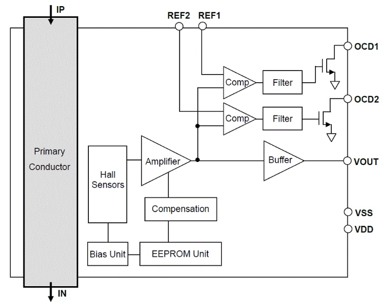
Asahi Kasei Microdevices CZ3Ax Coreless Current Sensor ICs feature creepage and clearance distances of 8mm or more and high accuracy. These sensor ICs support 3V output and have built-in dual overcurrent detection with adjustable thresholds. This provides a great deal of control freedom, such as making it possible to use one line for overcurrent detection and the other to perform control using control mode. The CZ3Ax current sensor ICs support a working voltage of over 550Vrms and can be used with 400V reinforced insulation. These current sensor ICs have a low resistance of 0.27mΩ as the primary conductor resistance and support a wide current range. The CZ3Ax current sensor ICs have two overcurrent detection circuits, and each overcurrent detection threshold can be adjusted from the outside. Typical applications include AC motors, DC motors, UPS, general inverter (drives), and power conditioners (DC side).Features
- ≥8mm creepage and clearance distance
- Built-in dual overcurrent detection with adjustable thresholds
- Support wide current range
- High accuracy
- Overcurrent detection function
- Generates less heat
Specifications
- 0.27mΩ primary conductor resistance
- 557Vrms working voltage
- 50Arms maximum primary current
- 400V reinforced insulation
- 3.3V output
- 12.7mm x 10.9mm x 2.25mm package size
- -40°C to 85°C operating temperature range
Applications
- AC motors
- DC motors
- Uninterruptible Power Supply (UPS)
- General inverter (Drives)
- Power conditioners (DC side)
Block Diagram
Additional Resource
Inilathala: 2022-12-20
| Na-update: 2024-08-23
