Bosch BMM150 Shuttle Board 3.0

Bosch Sensortec BMM150 Shuttle Board 3.0 demonstrates the BMM150 magnetometer, which is mounted on the PCB. Used with the application board 3.0, the BMM150 Shuttle Board 3.0 evaluates the various functionalities provided on BMM150.

The BMM150 Shuttle Board 3.0 enables easy access to the sensor pins via a simple socket and directly plugs into the Bosch application board 3.0.

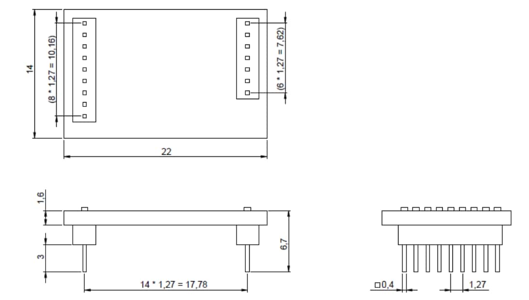
Dimensions mm

Mechanical Drawing - Bosch BMM150 Shuttle Board 3.0
Inilathala: 2021-09-20 | Na-update: 2022-04-22