Bourns HCTSM150102HLF Power Transformer
Bourns HCTSM150102HLF Power Transformer is a high-clearance transformer designed for high-voltage isolation in compact power systems. This power transformer features 1500VDC working voltage, 7640VDC Hi-Pot rating, 15mm clearance and creepage, and Class F insulation rated up to 150°C. The HCTSM150102HLF transformer complies with IEC 60664-1 and IEC/UL 62368-1 standards, supporting overvoltage category II and pollution degree 2. These features make the transformer ideal for isolated interface power in CAN, RS-485, RS-422, RS-232, SPI, I2C, and low-power LANs. The HCTSM150102HLF transformers are ideal for Industry 4.0 and systems requiring isolation from hazardous voltages, such as high-voltage battery packs in 1500V energy storage systems.Features
- 1500VDC working voltage
- 7640VDC for 2s, 1mA maximum leakage Hi-Pot test
- 15mm clearance distance
- 15mm creepage distance
- Up to 150°C reinforced Class F insulation
- Overvoltage category II, pollution degree 2, and up to 4km above sea level
- IEC 60664-1 and IEC/UL 62368-1 compliant
- RoHS compliant
Applications
- High and low-side gate drive circuits
- Isolation for CAN, RS-485, RS-422, RS-232, SPI, I2C, and low-power LANs
- Isolated DC-DC converters
- Battery Management Systems (BMS) and energy storage solutions
- Automotive and industrial isolation applications
Specifications
- 80µH minimum primary inductance at 100kHz, 1V, and 0A
- 4.0µH maximum leakage inductance at 100kHz and 0.1V (pin 1–3)
- DCR (DC Resistance):
- 0.3Ω maximum (pin 1–3)
- 0.7Ω maximum (pin 6–4)
- 1:2±3% turns ratio and polarity (pins 1–3 to 6–4)
- 1500VDC maximum working voltage
- -40°C to 150°C operating temperature range (including temperature rise)
- -25°C to 85°C storage temperature range
- Level 1 Moisture Sensitivity Level (MSL)
- ESD Classification (HBM): N/A
Electrical Schematic
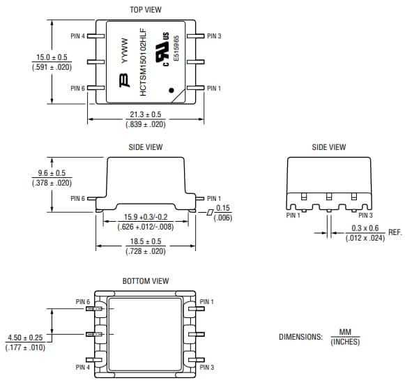
Dimensions
Inilathala: 2025-10-23
| Na-update: 2025-10-28
