Bourns PEC04 Incremental Micro Encoders
Bourns PEC04 Incremental Micro Encoders feature a 4mm compact design and offer high reliability with surface mount technology. These encoders feature 2-bit quadrature code output, 10mA at 5VDC contact rating, 5s maximum sliding bounce, and 6 or 12 pulses in 360° rotation resolution. The PEC04 encoders operate from -20°C to 70°C temperature range. These encoders are IP40 rated and are RoHS compliant. Typical applications include micro headphones and smart wearable devices.Features
- Compact design
- High reliability
- Surface mount
- IP40 rated
- RoHS compliant
Applications
- Micro headphones
- Smart wearable devices
Specifications
- 2-bit quadrature code output
- 10mA at 5VDC contact rating
- 5s maximum sliding bounce
- 6 or 12 pulses in 360° rotation resolution
- 50MΩ min at 50VDC minimum insulation resistance
- 50VAC 1 min dielectric strength sea level
- Soldering conditions:
- 260°C for 3s (dip soldering)
- 300°C for 3s (manual soldering)
- 360° continuous mechanical angle
- 30,000 cycles of rotational life
- 0.1g weight
Quadrature Output Table
Filter Circuit
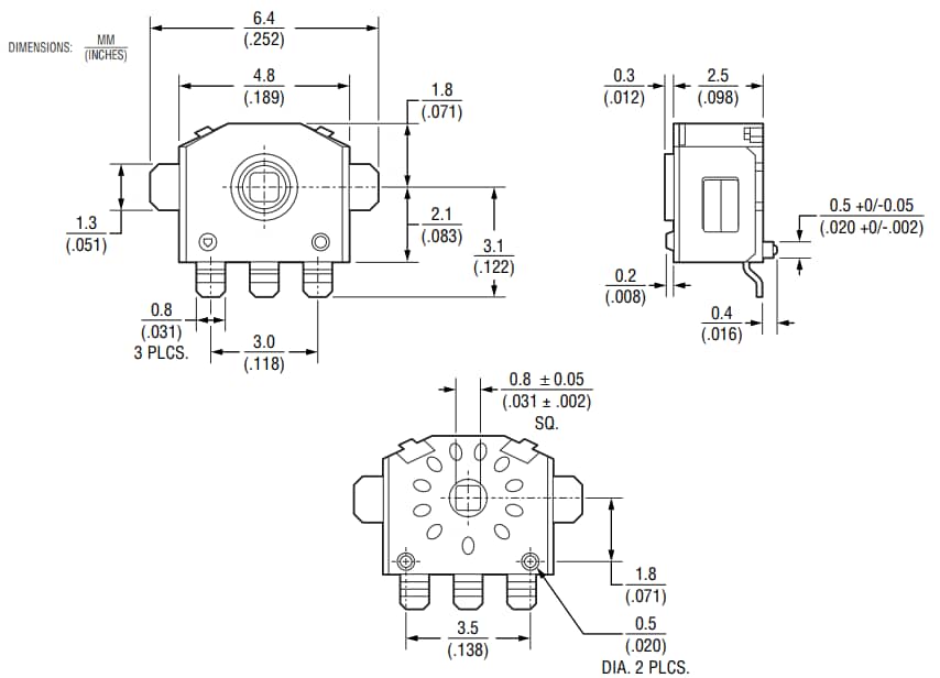
Dimension Diagram
Inilathala: 2025-08-11
| Na-update: 2025-09-03
