Broadcom ACPL-790x Precision Isolation Amplifiers
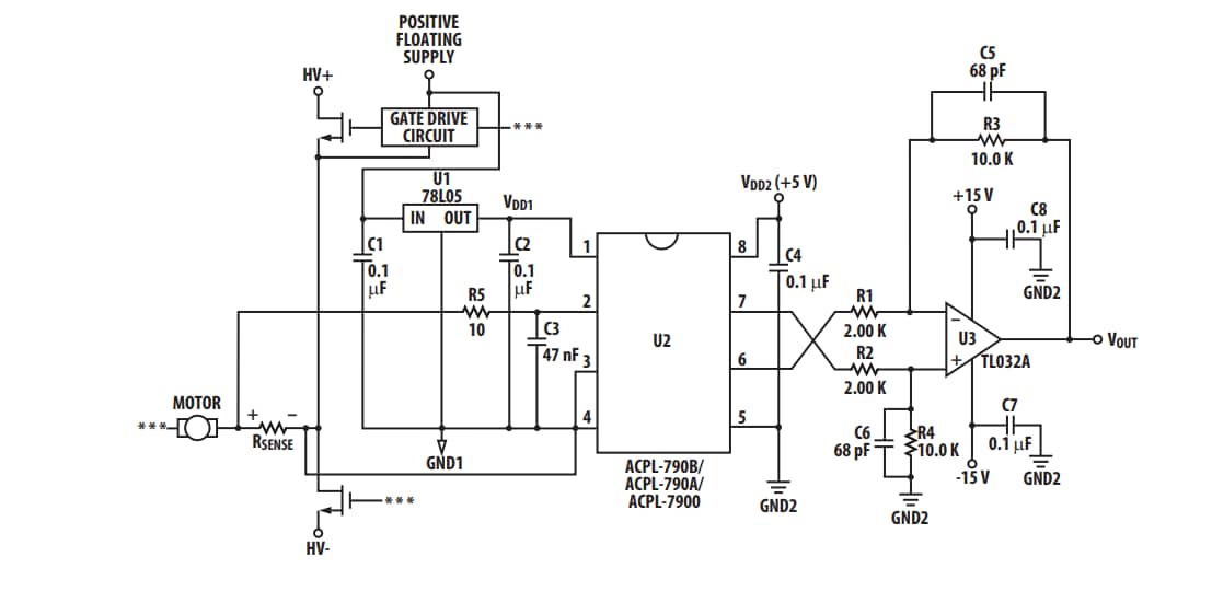
Broadcom ACPL-7900, ACPL-790A, and ACPL-790B precision isolation amplifiers are designed for current and voltage sensing in electronic power converters in applications including motor drives and renewable energy systems. The ACPL-7900 (±3% gain tolerance) and ACPL-790A (±1% gain tolerance) are recommended for general applications. The ACPL-790B (±0.5% gain tolerance) is ideal for high-precision applications.These Broadcom devices operate from a single 5V supply and provide dynamic performance of 60dB SNR. ACPL-790x isolation amplifiers feature 200 kHz bandwidth and 1.6µs fast response time, allowing these devices to capture transients in short-circuit and overload conditions. These Broadcom precision isolation amplifiers operate over a -40°C to +105°C temperature range.
Features
- -50ppm/°C Low Gain Drift
- 0.6mV Input Offset Voltage
- 0.05% Excellent Linearity
- 60dB SNR
- 200kHz Wide Bandwidth
- 3V to 5.5V Wide Supply Range for Output Side
- -40°C to +105°C Operating Temperature Range
- Advanced Sigma-Delta A/D Converter Technology
- Fully Differential Isolation Amplifier
- 15kV/µs Common-Mode Transient Immunity
- 1.6µs Fast Response Time
- DIP-8 Package
Applications
- Current/Voltage Sensing in AC and Servo Motor Drives
- Solar Inverters, Wind Turbine Inverters
- Industrial Process Control
- Data Acquisition Systems
- Switching Power Supply Signal Isolation
- General Purpose Analog Signal Isolation
- Traditional Current Transducer Replacements
Functional Diagram
Application Circuit
Inilathala: 2011-04-07
| Na-update: 2024-09-19
