Broadcom ACPL-K308U Industrial Photovoltaic MOSFET Driver
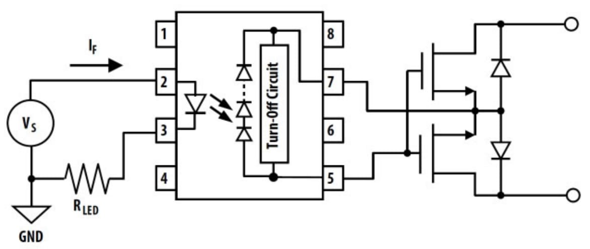
Broadcom ACPL-K308U Industrial Photovoltaic MOSFET Driver is designed to drive high-voltage MOSFETs. The ACPL-K308U consists of an AlGaAs infrared light-emitting diode (LED) input stage optically coupled to an output detector circuit. The detector consists of a high-speed photovoltaic diode array and a turn-off circuit. This photovoltaic driver turns on (contact closes) with a minimum input current of 5mA through the input LED. It turns off (contact opens) with an input voltage of 0.8V or less.Features
- 8mm creepage and clearance in a compact SSO-8 package
- –40°C to +125°C operating temperature range
- Photovoltaic driver for high-voltage MOSFETs in a solid-state relay application
- 8.2V typical at IF = 10mA open circuit voltage
- 70µA typical at IF = 10mA short circuit current
- Logic circuit compatibility
- 50µs (TON), 23µs (TOFF) at IF = 10mA, CL = 1nF switching speed (typical)
- Configurable to wide portfolio of high-voltage MOSFETs
- Galvanic isolation
- High input-to-output insulation voltage
- Safety and regulatory approvals
- IEC/EN/DIN EN 60747-5-5, maximum working insulation voltage 1140 VPEAK
- 5000Vrms for 1 minute per UL1577
- CSA component acceptance
Applications
- Solid-state relay module
- Inrush current prevention
- Insulation resistance measurement in the battery system
- Solar PV inverters
- EV charging system
- Motor winding insulation
Application Circuit
Inilathala: 2022-02-01
| Na-update: 2025-02-20
