Cincon CQB100W8 100W 8:1 Input Isolated DC-DC Converters
Cincon CQB100W8 100W 8:1 Input Isolated DC-DC Converters offer 100W output power at single output voltages of 5VDC, 12VDC, 15VDC, 24VDC, 28VDC, 48VDC, and 54VDC in an industry-standard quarter-brick package. This Cincon DC-DC converter series features an ultrawide (8:1) input voltage range of 9VDC to 75VDC (36VDC nominal) and 3000VAC reinforced isolation. Cincon CQB100W8 complies with EN 50155, EN 45545, and EN 50121-3-2. The high efficiency (up to 91%) allows a case operating temperature range of -40°C to +105°C. An optional heat sink extends the full power range of the unit. The very low no-load power consumption (30mA) makes these Cincon DC-DC converters ideal for energy-critical systems.Features
- Up to 91% efficiency
- 9VDC to 75VDC (36VDC nominal) input voltage range
- 5VDC, 12VDC, 15VDC, 24VDC, 28VDC, 48VDC, and 54VDC single output voltages
- Fixed switching frequency
- Regulated outputs
- Remote On/Off
- Low no-load power consumption
- Over-temperature, over-current, over-voltage, and undervoltage lockout (UVLO) protection
- 3000VAC I/O isolation
- -40°C to +105°C operating case temperature
- Quarter-brick size meets industrial standards
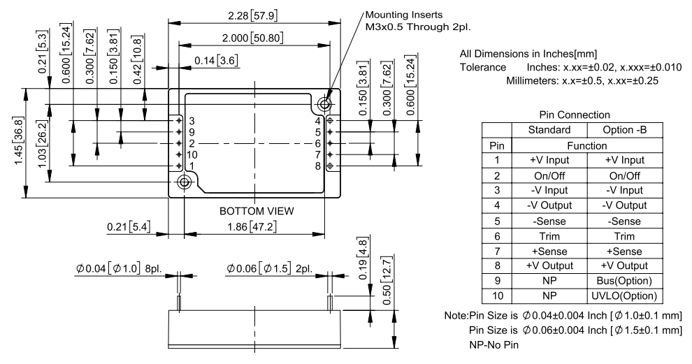
- 2.28" x 1.45" x 0.5" dimensions
- CB Meets IEC62368-1
- EN 55032/035/EN 50155 compliant with external circuits
- UL 62368-1 3rd (Reinforced Insulation) approval
- Shock and Vibration EN 50155 (EN 61373) compliant
- Fire and Smoke EN 45545-2 compliant
- 5000m operating altitude
- Optional model with bus and external UVLO function
Applications
- Railway applications of 24V, 36V, 48V nominal voltage
- Distributed power architectures
- Telecommunications
- Battery-operated equipment
- Industrial
Mechanical Specifications
Test Setup
Additional Resources
Inilathala: 2025-03-24
| Na-update: 2025-04-04
