Diodes Incorporated AS2333Q Zero-Drift Operational Amplifier (Op-Amp)
Diodes Incorporated AS2333Q Zero-Drift Operational Amplifier is a dual CMOS op-amp providing ultra-low input offset voltage (8μV typical) and near zero-drift over time and temperature. This technique eliminates 1/f noise and the cross-over distortion presented in most rail-to-rail input operational amplifiers. The high-precision, low quiescent current amplifier offers high-impedance inputs that have a common-mode range of 100mV beyond the rails and rail-to-rail output that swings within 50mV of the rails. Single or dual supplies as low as 1.8V (±0.9V) and up to 5.5V (±2.75V) can be used.Designed with a chopping stabilization technique, the AS2333Q is optimized for low voltage single-supply applications, especially for low-power high precision applications.
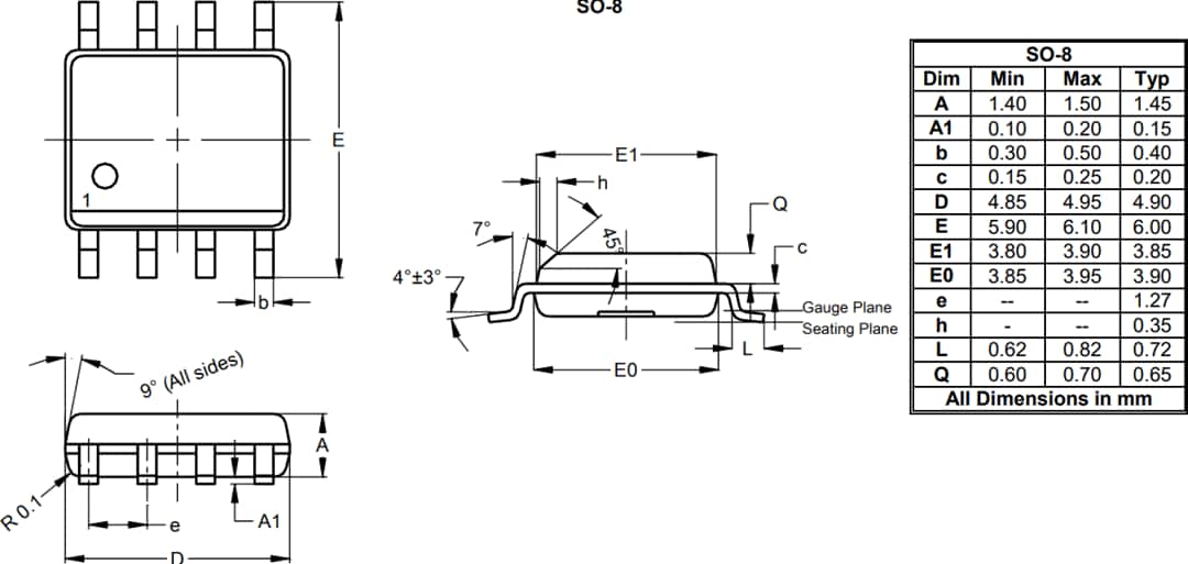
The Diodes Incorporated AS2333Q Op-Amp is available in an industry-standard SO-8 package. The device is AEC-qualified for automotive applications and is temperature grade 1, which is specified for operation from -40°C to +125°C.
Features
- Low 8μV input offset voltage (typical)
- Zero drift; 0.02μV/°C typical
- 0.01Hz to 10Hz Noise; 1.1μVPP
- Low 12μA quiescent current
- 8V to 5.5V supply voltage
- Rail-to-rail input and output
- 350kHz bandwidth
- 0.12V/μs typical slew rate
- -40°C to +125°C operating temperature range
- SO-8 Package
- Totally lead-free and RoHS compliant
- Halogen and antimony-free "Green" device
Applications
- Battery-powered instruments
- Pumps
- Airbags
- Position sensors
- Vehicle occupant detection sensors
Typical Application Circuits
Package Outline
Additional Resources
Inilathala: 2022-06-29
| Na-update: 2024-04-12
