Diodes Incorporated DMN52D0LT N-Channel Enhancement Mode MOSFET
Diodes Incorporated DMN52D0LT N-Channel Enhancement Mode MOSFET is designed to minimize RDS(ON) and maintain impressive switching performance. This MOSFET features a very low gate threshold voltage, low input capacitance, fast switching speed, and ESD protected gate. The DMN52D0LT MOSFET offers low input/output leakage and is AEC-Q100/101/104/200 qualified and PPAP capable. This MOSFET is Lead-free, RoHS compliant, and operates within the -55°C to 150°C temperature range. Typical applications include motor driving, power management functions, and load switching.Features
- Low ON-resistance
- Very low gate threshold voltage
- Low input capacitance
- Fast switching speed
- Low input/output leakage
- ESD protected gate
- Lead-free
- RoHS compliant
- Halogen and Antimony free
Specifications
- 50VDSS drain-source voltage
- ±12VGSS gate-source voltage
- 1.2A pulsed drain current
- 350mA maximum continuous body diode forward current
- -55°C to 150°C operating temperature range
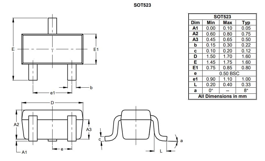
- Package:
- SOT523
- UL flammability classification rating 94V-0
- Weight:
- 0.002 grams
Applications
- Motor driving
- Power management functions
- Load switching
Dimensions
Inilathala: 2022-12-27
| Na-update: 2023-01-09
