Diodes Incorporated AP63300/1-EVM Evaluation Boards
Diodes Incorporated AP63300/1-EVM Evaluation Boards evaluate the AP63300/AP63301 3A synchronous buck converters. These converters are fully integrated with a 75mΩ high-side power MOSFET and a 40mΩ low-side power MOSFET to provide high-efficiency step-down DC-DC conversion. The AP63300/1-EVM boards operate at -40°C to 85°C temperature range, 3.8V to 32V supply voltage range, and offer 3A continuous output current. The AP63300/1-EVM boards are ideal for use in home audio, network systems, power tools and laser printers, gaming consoles, and consumer electronics.Features
- -40°C to 85°C operating temperature range
- 3A continuous output current
- 3.8V to 32V supply voltage range
Applications
- 5V, 12V, and 24V distributed power bus supplies
- Flat-screen TV sets and monitors
- Power tools and laser printers
- White goods and small home appliances
- FPGA, DSP, and ASIC Supplies
- Home audio
- Network systems
- Gaming consoles
- Consumer electronics
- General-purpose point of load
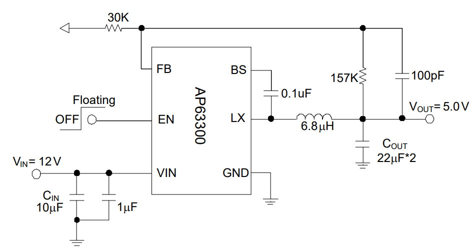
Schematic Diagram
Inilathala: 2020-02-11
| Na-update: 2024-07-23
