Diodes Incorporated AP64351SP-EVM Evaluation Board
Diodes Incorporated AP64351SP-EVM Evaluation Board evaluates the AP64351 3.5A synchronous buck converter. These converters are fully integrated with an 80mΩ high-side power MOSFET and a 50mΩ low-side power MOSFET to provide high-efficiency step-down DC-DC conversion. The AP64351SP-EVM board operates at -40°C to 125°C temperature range and 3.8V to 40V supply voltage range. This evaluation board offers 3.5A continuous output current. The AP64351SP-EVM board is ideal for use in LCD display, cigarette lighter adapters, chargers, USB Type-C power delivery, USB charging, and automotive systems.Features
- Evaluates AP64351 synchronous buck converter
- 3.5A continuous output current
- 3.8V to 40V supply voltage range
- -40°C to 125°C operating temperature range
Applications
- Battery pack powered system for cordless power tools, cordless home appliances, drones, aeromodelling, and GPS tracker
- Cigarette lighter adapters and chargers
- LCD
- USB Type-C™ power delivery and USB charging
- Industrial and medical distributed power supplies
- Optical communication and networking system
- Automotive systems
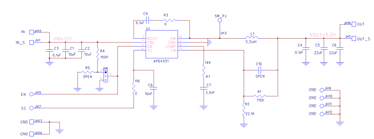
Schematic Diagram
Inilathala: 2020-02-11
| Na-update: 2024-07-24
