Diodes Incorporated AS339/339A Analog Comparators
Diodes Incorporated AS339/399A Analog Comparators consist of four independent precision voltage comparators. These comparators are designed to operate from a single power supply over a wide voltage range. The AS339/339A comparators can also operate with the split power supply, keeping the current drain independent. The AS339A comparators have more stringent input offset voltage than AS339 comparators. These quad comparators feature low power, low offset voltage, and high gain. The AS339/339A comparators are available in various packages including DIP-14, SOIC-14, and TSSOP-14.Features
- Wide supply voltage range
- Single supply of 2.0V to 36V
- Dual supplies: ±1V to ±18V
- Low supply current drain of 0.9mA
- Low input offset current of ±5nA (typical)
- Low input offset voltage of 2.0mV (typical)
- Input common-mode voltage range includes ground
- Differential input voltage range equals the power supply voltage
- Low output saturation voltage is 200mA at 4mA
- Open collector output
Applications
- Battery charger
- Cordless telephone
- Switching power supply
- DC-DC module
- PC motherboard
- Communication equipment
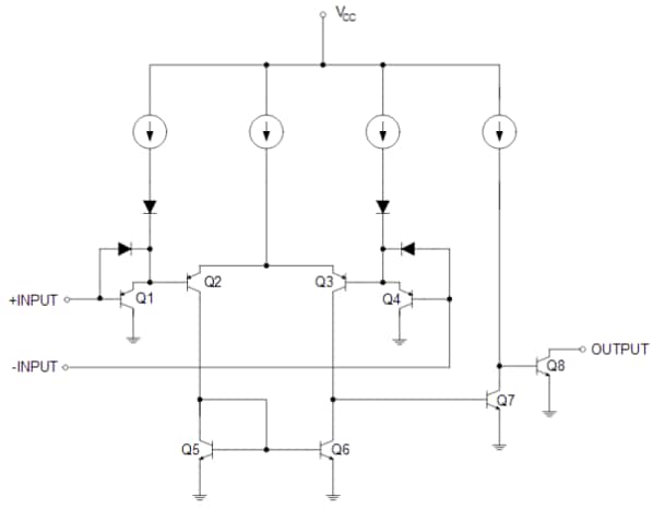
Functional Block Diagram
Inilathala: 2017-05-11
| Na-update: 2022-03-11
