Diodes Incorporated LXS010x Bi-Directional Level Shifters
Diodes Incorporated LXS010x Bi-Directional Level Shifters are four-bit/two-bit configurable, dual-supply, and auto-sensing translators that do not require a directional control pin. These shifters include the A and B ports designed to track two different power supply rails, VCCA and VCCB respectively. The LXS010x features low bit-to-bit skey, non-preferential power-up sequencing, 24MHz maximum signal rate, and integrated 10kΩ pull-up resistors. These shifters are used in low voltage ASIC level translation, cameras, PDAs, and mobile phones.Features
- High-speed with 24Mb/s data rate for push-pull applications
- High-speed with 2Mb/s data rate for open-drain applications
- 1.65V to 3.6V voltage range on A Port and 2.3V to 5.5V voltage range on B Port
- VCCA must be less than or equal to VCCB
- No direction-control signal needed
- Low bit-to-bit skey
- Non-preferential power-up sequencing
- Lead-free
- RoHS-compliant
- Ideal for automatic applications that require specific charge control
- Packages:
- LXS0104:
- 14-pin, TSSOP (L)
- 14-pin, 3.5mm x 3.5mm, TQFN (ZB)
- 12-pin, 1.7mm x 2.0mm, XQFN (ZMA)
- 12-pin, 1.87mm x 1.37mm, WLCSP (GAB)
- LXS0102:
- 8-DFM1 x 1.4 (HK)
- 8-VSSOP (V)
- 8-SSOP (SS)
- 8-WLCSP (GBA)
- LXS0104:
Specifications
- Integrated 10kΩ pull-up resistors
- 24MHz maximum signal rate
- -40°C to 85°C operating temperature range
- 45mA continuous output current, I/O
Applications
- I2C, SMBus, and MDIO
- Low voltage ASIC level translation
- Mobile phones, PDAs, and cameras
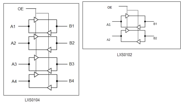
Block Diagrams
Inilathala: 2024-06-12
| Na-update: 2024-07-22
