Diotec Semiconductor SICW20C120 Silicon Carbide Schottky Diodes
Diotec Semiconductor SICW20C120 Silicon Carbide Schottky Diodes feature low capacitive charge, high-speed switching, and a high reverse voltage. The SICW20C120 diodes offer a <1.8V forward voltage and a 1200V repetitive peak reverse voltage. The device is ideally suited for high voltage/high-frequency switching used in charging systems for electric vehicles (EV), solar inverters, or telecom power supplies.The Diotec SICW20C120 diodes supply a -50°C to +175°C junction temperature and are available in a TO-247 package.
Features
- High reverse voltage
- Almost zero switching losses
- Low reverse leakage current
- High-efficiency high-frequency switching
- Dual diode in industry-standard case outline
Applications
- Charging systems for electric vehicles (EV)
- Solar inverters
- Telecom power supplies
- Power Factor Correction (PFC)
Specifications
- 2x 10 = 20A average forward current (IFAV)
- 1200V repetitive reverse voltage (VRRM)
- 2.0V typical forward voltage at 10A and +175°C (VF)
- 40µA typical reverse leakage at 1200V and +175°C (IR)
- 41nC total capacitive charge at 800V, 10A, 200A/µs (QC)
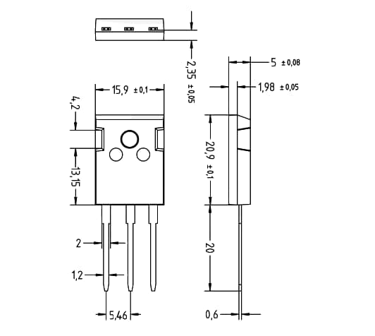
- TO-247 case outline
Typical Application
Dimensions mm
Inilathala: 2023-07-06
| Na-update: 2024-10-17
