Displaytech Displaytech 64128KX LCD Module
Displaytech Displaytech 64128KX LCD Module features a 50mm x 25mm viewing area and a 128 x 64 resolution. This FSTN (Film-Compensated Super Twisted Nematic) LCD module includes a Sitronix ST7565R Chip-On-Glass (COG) Controller and a Flexible Printed Circuit (FPC) interface. The ST7565R is a single-chip dot matrix LCD driver that can be connected directly to a microprocessor bus. 8-bit parallel or 4-line SPI display data sent from the microprocessor is stored in the internal display data RAM, and the chip generates a LCD drive signal independent of the microprocessor.The Displaytech Displaytech 64128KX LCD Module is offered in two variants
- 64128KX utilizes a white LED backlight, resulting in a white background color
- 64128KX-RGB utilizes an RGB LED LED backlight, enabling in a white background colors of Red, Pure Green, and Blue
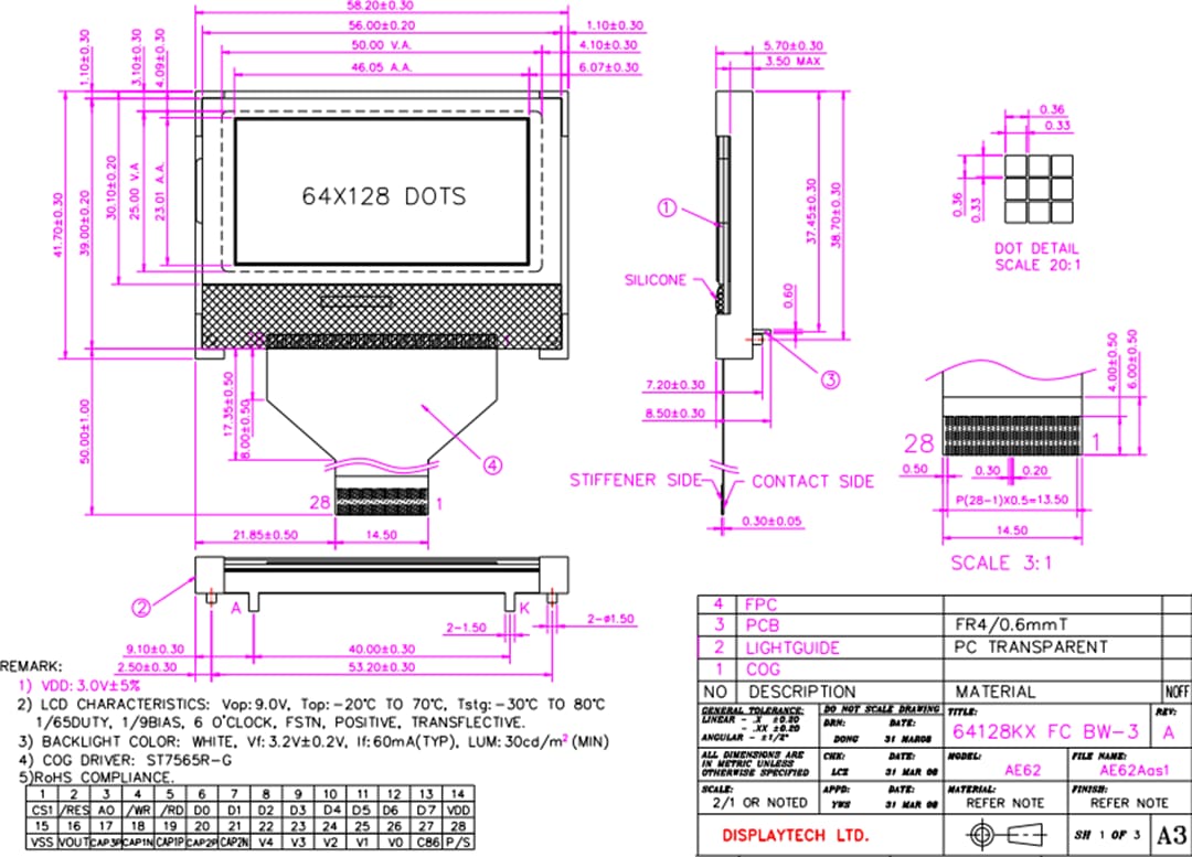
Both variants feature an overall module size of 58.2mm x 41.7mm x 8.5mm.
Features
- 128 x 64 resolution
- 0.33mm x 0.33mm pixel size
- 50.00mm x 25.00mm viewing area
- 58.20mm x 41.70mm x 8 .50mm overall module dimensions
- FSTN display type
- Transflective polarizer mode
- 6 o'clock / 12 o'clock viewing angle
- LED backlight
- Externally powered backlight driver
- Backlight color
- 64128KX: White LED
- 64128KX-RGB: RGB LED
- Controller and LCD driver: Sitronix ST7565R
- Driving method: 1/65 duty, 1/9 bias
Applications
- Appliances
- Consumer goods
- HVAC and security displays
- Handheld devices
- Military
- POS and vending
- Scales
- Telecom and communication
- Test and measurement
Mechanical Drawing
Inilathala: 2015-01-06
| Na-update: 2022-03-11
