M5Stack Dial v1.1 Development Board

M5Stack Dial v1.1 Development Board is a high-performance, multifunctional embedded development board that represents a comprehensive upgrade of the original Dial product. The new version adopts the all-new StampS3A main controller that enhances system processing power and stability. This board is equipped with a 1.28-inch round TFT touch screen and a high-precision rotary encoder. The Dial v1.1 board also includes an RFID detection module, an RTC circuit, an onboard buzzer, and under-screen buttons to enable device interaction and wake-up alerts. This development board supports secondary development on multiple programming platforms like Arduino, UIFlow2, and ESP-IDF. The Dial v1.1 board is ideal for smart home control, IoT, smart wearables, access control systems, industrial control, and educational maker projects.

Features

  • Round TFT touch screen
  • StampS3A as the main controller
  • Rotary encoder
  • RFID detection module
  • 6V to 36V wide voltage input range
  • 0°C to 40°C operating temperature range
  • Reserved PORT.A and PORT.B interface expansion 
  • Development platform:
    • UiFlow2
    • Arduino IDE
    • ESP-IDF
    • PlatformIO

Applications

  • Smart home control
  • IoT projects
  • Access control systems
  • Industrial control

Specifications

  • 6V to 36V DC wide input voltage range
  • 1.28-inch 240px x 240px screen driver
  • Operating current:
    • USB powered DC 5V @88.19mA
    • Battery only DC 4V @100mA
  • 8MB flash
  • 80dB buzzer
  • 51mm x 51mm x 32.3mm product size

Kit Contents

  • 1 x Dial V1.1
  • 1 x L-shaped 1.5mm hex wrench (compatible with M2 screws)
  • 1 x 2.54-2P terminal

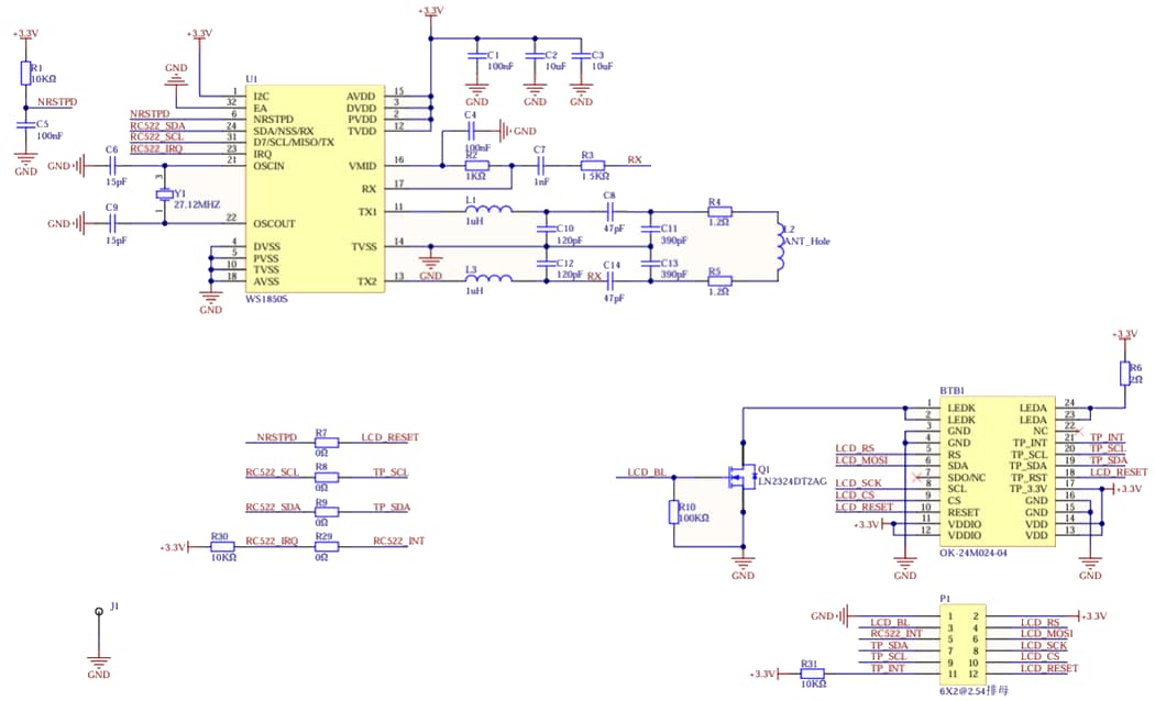
Schematic

Schematic - M5Stack Dial v1.1 Development Board

Dimension

Mechanical Drawing - M5Stack Dial v1.1 Development Board
Inilathala: 2025-04-30 | Na-update: 2025-06-26