Ezurio BL653 Development Kits
Ezurio BL653 Development Kits provide a platform for rapid wireless connectivity prototyping and BLUETOOTH® Low Energy (BLE) plus Near Field Communication (NFC) applications. These kits are designed to support the rapid development of applications and software for the BL653 series of BLE modules. The BLE modules are loaded with integrated smartBASIC runtime engine firmware but no onboard smartBASIC. These kits offer several header connectors that help isolate onboard sensors and UART from the BL653 module to create different configurations. The Ezurio BL653 development kits provide USB-to-Virtual COM port conversion through an FTDI chip – part number FT232R.Features
- BL653 series module soldered onto the development boards
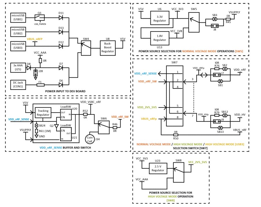
- Power supply options for powering the development board
- USB (micro-USB and type B)
- External DC supply
- AAA batteries (three AAA battery holder fitted on the underside of development board)
- USB to UART bridge (FTDI chip)
- Current measuring options (BL653 module only)
- Pin header (Ammeter)
- 10R Series resistor for differential measurement (oscilloscope)
- Four buttons and four LEDs for user interaction
- One reset button (via an analog switch)
- NFC antenna connector on-board development board for use with supplied flexi-PCB NFC antenna
- Access to BL653 JTAG – also known as Serial Wire Debug (SWD)
- smartBASIC application upgrade capability
- Via UART (using the FTDI USB-UART)
- Via OTA (Over-the-Air)
Power Supply Block Diagram
Videos
Inilathala: 2020-06-25
| Na-update: 2024-05-02
