Harwin Datamate PIHR Throughboard Connectors
Harwin Datamate Pin-in-Hole Reflow (PIHR) Throughboard Connectors are available in two variants: 2- to 3-position single-row with a secure latched fixing format (L-Tek) and 4- to 50-position double-row with a robust jackscrew fixing (J-Tek). These connectors are designed with resilient, low-frequency contacts optimized for reliable signal integrity. The PIHR-compatible contacts enable automated throughboard reflow assembly processes without compromising mechanical retention to the PCB. Additional features include flame-retardant, glass-filled UL 94V-0 housing and stainless-steel jackscrews for enhanced durability under vibration and temperature extremes. Harwin PIHR connectors are ideal for aerospace, oil and gas, military, and robotics applications.Features
- Short tail design
- Jackscrew format
- LF contactors available
- 2 to 50 positions
- Single or double row
- Glass-filled, UL 94V-0 molding
Applications
- Aerospace
- Aviation
- Robotics
- Oil and gas
- Autosports
- Military
- Harsh environment vehicles
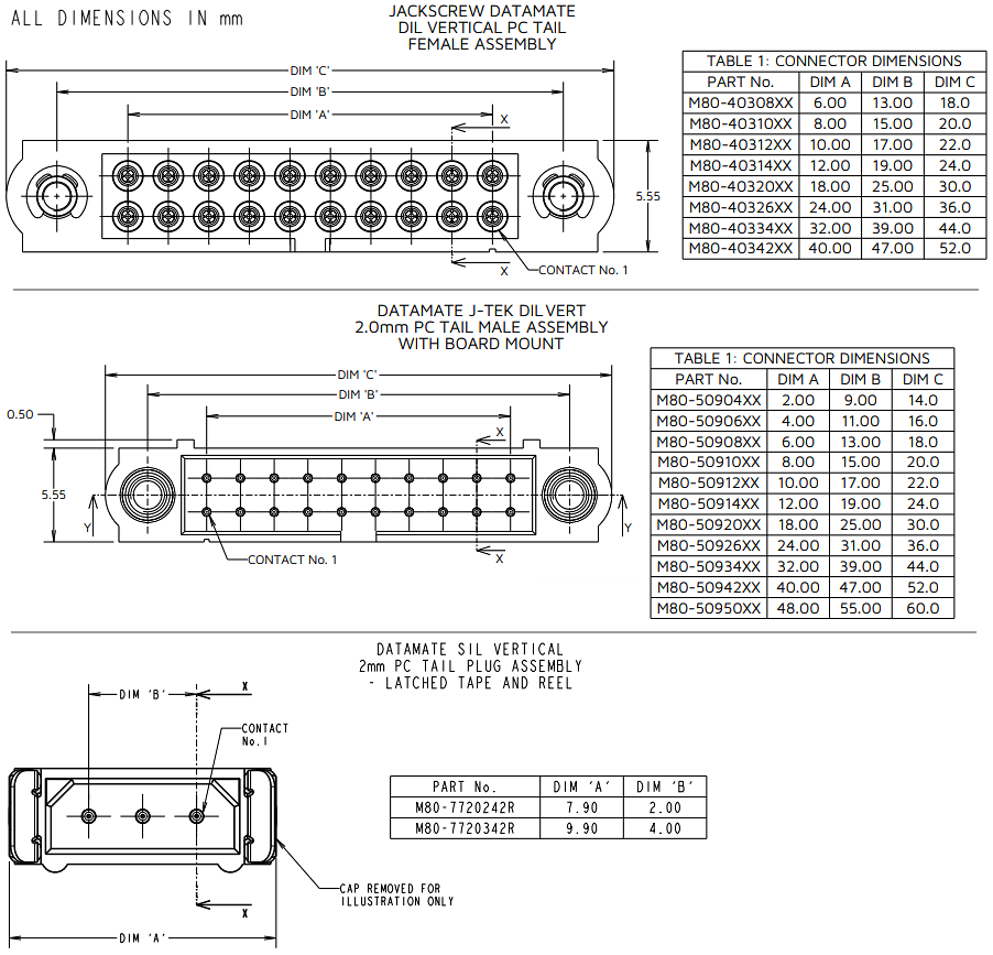
Dimensions
Accessories
Inilathala: 2025-05-13
| Na-update: 2025-08-08
