Infineon Technologies CYW20730 Stand-Alone Baseband Processor
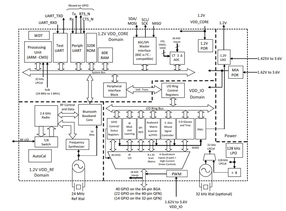
Infineon Technologies CYW20730 Stand-Alone Baseband Processor features a 3-axis quadrature signal decoder and a 10-bit auxiliary ADC with 28 analog channels. The CYW20730 is ideal for wireless input device applications, including game controllers, keyboards, 3D glasses, remote controls, gestural input devices, and sensor devices. Built-in firmware adheres to the BLUETOOTH® Human Interface Device (HID) profile and Bluetooth Device ID profile specifications.The Infineon CYW20730 radio has been designed to provide low power, low cost, and robust communications for applications operating in the globally available 2.4GHz unlicensed ISM band. The device is fully compliant with Bluetooth Radio Specification 3.0. The single-chip Bluetooth transceiver is a monolithic component implemented in a standard digital CMOS process and requires minimal external components to make a fully compliant Bluetooth device. The CYW20730 is available in three package options: a 32-pin 5×5mm QFN, a 40-pin 6×6mm QFN, and a 64-pin 7×7mm BGA.
Features
- On-chip support for common keyboard and mouse interfaces eliminates external processor
- Programmable keyscan matrix interface, up to 8×20 keyscanning matrix
- 3-axis quadrature signal decoder
- Shutter control for 3D glasses
- Infrared modulator
- IR learning
- Triac control
- Triggered Broadcom fast connect
- Supports adaptive frequency hopping (AFH)
- Excellent receiver sensitivity
- Bluetooth specification 3.0 compatible, including enhanced power control (unicast connectionless data)
- Bluetooth HID profile version 1.0 compliant
- Bluetooth Device ID profile version 1.3 compliant
- Bluetooth AVRCP-CT profile version 1.3 compliant
- 10-bit auxiliary ADC with 28 analog channels
- On-chip support for serial peripheral interface (master and slave modes)
- Broadcom Serial Communications (BSC) interface (compatible with Philips® (now NXP) I2C slaves)
- Programmable output power control meets Class 2 or Class 3 requirements
- Class 1 operation supported with external PA and T/R switch
- Integrated Arm® Cortex™-M3-based microprocessor core
- On-chip power-on reset (POR)
- Support for EEPROM and serial flash interfaces
- Integrated low-dropout regulator (LDO)
- On-chip software-controlled power management unit
- Three package types are available: 32-pin QFN package (5×5mm); 40-pin QFN package (6×6mm); 64-pin BGA package (7×7mm)
- RoHS compliant
Applications
- Wireless pointing devices: mice, trackballs, gestural controls
- Wireless keyboards
- 3D glasses
- Remote controls
- Game controllers
- Point-of-sale (POS) input devices
- Remote sensors
- Home automation
- Personal health and fitness monitoring
Functional Block Diagram
Inilathala: 2019-09-19
| Na-update: 2024-01-30
