Infineon Technologies 2000V CoolSiC™ MOSFETs
Infineon Technologies 2000V CoolSiC™ MOSFETs are trench MOSFETs in a TO-247PLUS-4-HCC package. These MOSFETs are designed to deliver increased power density without sacrificing the system's reliability, even under demanding high-voltage and switching frequency conditions. The low power losses of CoolSiC™ technology provide increased reliability using the .XT interconnection technology and enable top efficiencies in various applications. The 2000V MOSFETs feature a benchmark gate threshold voltage of 4.5V and offer very-low switching losses. Typical applications include energy storage systems, EV charging, string inverter, and solar power optimizer.Features
- High power density
- Very low switching losses
- .XT interconnection technology for best-in-class thermal performance
- Excellent reliability
- High efficiency
- Improved humidity robustness
- Robust body diode for hard commutation
- Ease of design
Specifications
- THT mounting
- 4 pins
- 2000V VDSS for high DC-link systems up to 1500VDC
- 4.5V benchmark gate threshold voltage
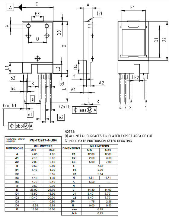
- Innovative HCC package with 14mm creepage and 5.5mm clearance distances
- -55°C to 175°C operating temperature range
- 175°C operating junction temperature
Applications
- Energy storage systems
- EV charging
- String inverter
- Solar power optimizer
Videos
Pin Diagram
Package Outlines
Additional Resource
View Results ( 5 ) Page
| Numero ng Piyesa | Datasheet | Pd - Power Dissipation | Qg - Gate Charge | Rds On - Drain-Source Resistance | Id - Continuous Drain Current | Karaniwang Tagal ng Delay ng Pag-on | Karaniwang Tagal ng Delay ng Pag-off | Tagal ng Pagtaas | Tagal ng Pagbagsak | Forward Transconductance - Min |
|---|---|---|---|---|---|---|---|---|---|---|
| IMYH200R012M1HXKSA1 | ![]() |
552 W | 246 nC | 16.5 mOhms | 123 A | 16 ns | 50 ns | 13 ns | 24 ns | 30 S |
| IMYH200R024M1HXKSA1 | ![]() |
576 W | 137 nC | 33 mOhms | 89 A | 19 ns | 40 ns | 11 ns | 16 ns | 20 S |
| IMYH200R050M1HXKSA1 | ![]() |
348 W | 82 nC | 64 mOhms | 48 A | 17 ns | 36 ns | 9 ns | 12 ns | 10 S |
| IMYH200R075M1HXKSA1 | ![]() |
267 W | 64 nC | 98 mOhms | 34 A | 7 ns | 26 ns | 5 ns | 7 ns | 6.5 S |
| IMYH200R100M1HXKSA1 | ![]() |
217 W | 55 nC | 131 mOhms | 26 A | 2 ns | 21 ns | 3 ns | 5 ns | 5 S |
Inilathala: 2023-08-02
| Na-update: 2023-08-29

