Infineon Technologies TLD6099-2ES Multi-Topology DC-DC Controller
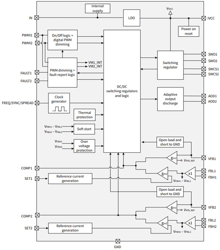
Infineon Technologies TLD6099-2ES Dual Channel Multi-Topology DC-DC Controller is designed for LED applications with built-in protection features to implement a compact LED driver. The output current generated by the two channels is independent and regulated using a peak current control loop. Internal slope compensation avoids sub-harmonic oscillation at a high-duty cycle (e.g., higher than 50%). The current accuracy exceeds 3.5% (with no analog dimming applied) over the operating temperature range. The current sense amplifiers provide flexibility on the topology choice needed to supply LED strings with more than 20 white LEDs (up to 70V at output).An external resistor can adjust the switching frequency from 100kHz to 500kHz or to a fixed 2.2MHz. A synchronization with an external clock is also possible. The device incorporates a spread spectrum modulator to easily fulfill electromagnetic emission standards. Each channel of the Infineon TLD6099-2ES can drive an external NMOS to discharge the output capacitance fast. This feature helps to manage fast load variations due to light function exchange scenarios. Typical user cases are switching from low to high beams or driving adaptive driving beams with a matrix manager.
Features
- Dual channel device
- Wide input voltage (up to 58V) and output voltage range (up to 70V)
- Switching frequency range from 100kHz to 500kHz and 2.2MHz
- EMC-optimized device
- Analog output adjustment (analog dimming)
- Overvoltage, short-to-ground, open feedback, and overtemperature diagnostic output
- NMOS gate driver for adaptive output discharge
- ±3.5% LED current accuracy (no analog dimming applied)
- Qualified for automotive application per AEC-Q100
Applications
- LED driver for
- Front light modules
- Animated light functions
- Pixelated adaptive driving beams
- Product validation
Block Diagram
Inilathala: 2025-01-24
| Na-update: 2025-09-26
