Kinetic Technologies KTS1690A Evaluation Kit
Kinetic Technologies KTS1690A Evaluation Kit is designed to demonstrate and evaluate the functionality, performance, and PCB layout of the KTS1690A low-resistance load switch. This kit consists of a fully assembled and tested PCB with the KTS1690A IC installed, two pairs of high-current XT30-to-Banana power cables, and a quick start guide. Typical applications include notebooks, ultra-books, desktop PCs, smartphones, tablets, gaming consoles, set-top boxes, networking, and any USB ISOURCE port.Features
- -0.3V to 6V input withstand voltage range
- 2.5V to 5.5V input operating voltage range
- -0.3V to 29V output withstand voltage range
- 1.5V to 5.5V VIO operating voltage range
- 0A to 3.7A output load current
Applications
- Notebooks
- Ultra-books
- Desktop PCs
- Smartphones
- Tablets
- Gaming consoles
- Set-top box
- Networking
- USB ISOURCE port
Kit Contents
- 1 x KTS1690A eval fully assembled PCB
- 2 x XT30-to-Banana power cables and red/black pair
- 1 x anti-static bag
- 1 x quick start guide
- 1 x eval kit box
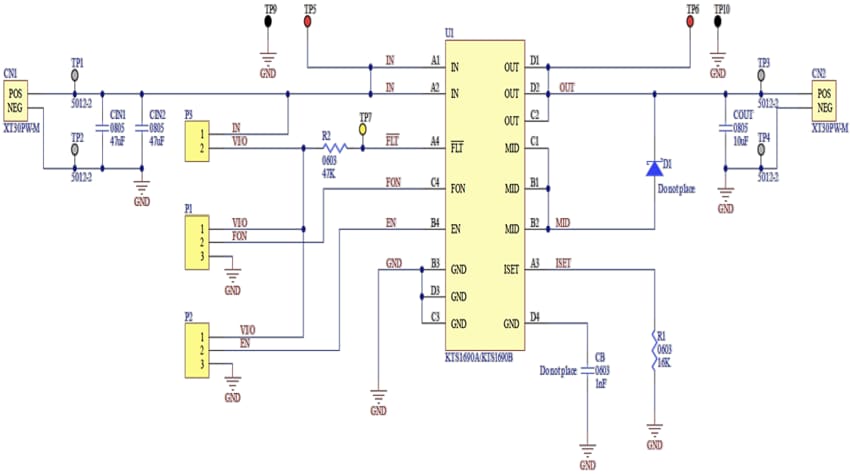
Electrical Schematic
PCB Layout
Additional Resource
Inilathala: 2023-07-03
| Na-update: 2023-07-13
