Lumissil IS31FL3749 Matrix LED Driver
Lumissil IS31FL3749 Matrix Light Emitting Diode (LED) Driver is a 24x4 local dimming LED driver with 24 high voltage (16V) constant current channels. Each LED can be controlled by an 8-bit output control register, which allows fine-tuning the current for RGB color mixing. The IS31FL3749 LED driver supports 8-bit, 16-bit, 8+4-bit dithering, and 8+8-bit dithering Pulse Width Modulation (PWM) modes. This LED driver can be turned off with minimum current consumption by pulling the SDB pin low or using this software shutdown functionality. The IS31FL3749 LED driver features a 60mA maximum output current for each channel, which can be adjusted by three 8-bit global control registers group.The IS31FL3749 LED driver features PSW short protection, over-temperature protection, SPI and Video Series Bus (VSB) interfaces, spread spectrum, and built-in LDO to generate a 4.8V supply for internal logic. This LED driver operates from -40°C to 125°C temperature range and is available in QFN-48 (6mm x 6mm) package. The IS31FL3749 LED driver complies with RoHS and TSCA standards. This LED driver is used in mini LED backlights, cluster displays, center information displays, and LED backlight applications.
Features
- Support 24 constant current channels, 60mA/channel
- Built-in LDO to generate a 4.8V supply for internal logic
- Support 8-bit, 16-bit, 8+4-bit dithering, and 8+8-bit dithering PWM modes
- Interfaces:
- SPI (up to 33MHz)
- Video Series Bus (VSB) (up to 33MHz)
- 8-bit x three global current adjustment
- Support bi-directional read data output via DI
- Four groups delay to minimize the power ripple
- For matrix scanning operation:
- Built-in de-ghosting circuit
- Reduced inactive LED reverse bias to improve LED reliability
- Over temperature protection
- PSW short protection
- Spread spectrum
- Low standby and sleep mode current
- RoHS and TSCA compliant
- Halogen-free
Specifications
- -0.3V to 6V supply voltage (VCC) range
- 150°C maximum junction temperature
- ±750V ESD (CDM)
- ±3.5KV ESD (HBM)
Applications
- Center information display
- Mini LED back light
- Cluster display
- LED back light
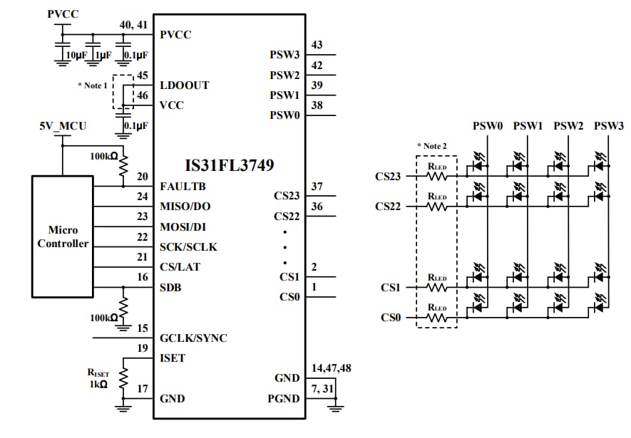
Typical Application Circuit Diagram
Functional Block Diagram
Inilathala: 2023-08-01
| Na-update: 2023-08-16
