M5Stack K130 M5Dial
M5Stack K130 M5Dial is an embedded development board with the M5StampS3 main controller, a micro module based on the ESP32-S3 high-performance chip. This device features a rotary encoder that records the position and direction of the knob to deliver an improved interactive experience. The K130 M5Dial also features a 1.28″ round TFT touchscreen, a buzzer, under-screen buttons, and an RFID detection module. This device supports a 6V to 36V DC input voltage range and reserves two PORTA and PORTB interfaces to support the expansion of I2C and GPIO devices.
The K130 M5Dial offers a lithium battery interface with a charging circuit to meet various power requirements. This board is compatible with Arduino, UIflow, and ESP-IDF programming platforms. Typical applications include smart home control, Internet of Things (IoT), access control systems, and industrial control.
Features
- Based on the ESP32-S3 high-performance chip
- 1.28″ round TFT touchscreen, RTC circuit, and rotary encoder
- WS1850S RFID detection module
- 6V to 36V input voltage range
- DC 4.2V/1.9μA standby current
- Offer lithium battery interface and charging circuit
- Reserved PORTA and PORTB interfaces
- Arduino, UIFlow, and ESP-IDF programming platforms
- 45mm x 45mm x 32.3mm product size
- Lightweight design
Applications
- Smart home control
- Internet of Things (IoT)
- Access control systems
- Industrial control
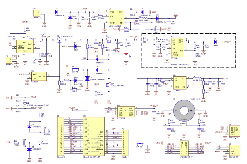
Schematic Diagram
Overview
