M5Stack Module13.2 QRCode Scanning Module
M5Stack Module13.2 QRCode Scanning Module integrates a CMOS barcode capture engine with a resolution of 640 x 480. This module supports 3 types of 2D codes and 14 types of 1D codes, which enables fast and accurate recognition of barcodes printed on media. The Module13.2 QRCode scanning module features a built-in buzzer for audio prompts and USB, and UART interface switching. This module consists of illumination and aiming LEDs, provides rich secondary development interfaces, and supports multiple scanning trigger modes.The Module13.2 QRCode scanning module also integrates a DC power input interface supporting a 9V to 24V voltage range. Typical applications include logistics and warehousing, retail checkout, ticketing systems, production traceability, medical information collection, and self-service terminals.
Features
- Supports 3 types of 2D codes and 14 types of 1D codes
- Built-in USB and UART interface switching switch
- Built-in buzzer sound prompt
- Built-in illumination LED
- High-resolution imaging
- Focusing and aiming function
- Multiple scanning trigger modes, such as auto and continuous modes
- DC power supply interface 9V to 24V wide voltage input range
- Development platform:
- Arduino
- UiFlow2
Applications
- Logistics and warehousing
- Retail checkout
- Ticketing systems
- Production traceability
- Medical information collection
- Self-service terminals
Specifications
- 640 x 480 CMOS sensor
- White LED illumination
- Red LED aiming
- PDF417, QR code, and data matrix supported 2D codes
- Supported 1D codes:
- Code11, Code39, Code93, Code128, EAN-13, EAN-8, UPC-A, UPC-E, codabar, interleaved 2 of 5, Matrix 2 of 5, industrial 2 of 5, MSI, and GS1 databar
- 50mm to 160mm depth of field range
- ≥5mil reading accuracy
- ≥20 % print contrast
- Pitch ±55° and skew ±55° scan angle
- 54mm x 54mm x 19.7mm product dimension
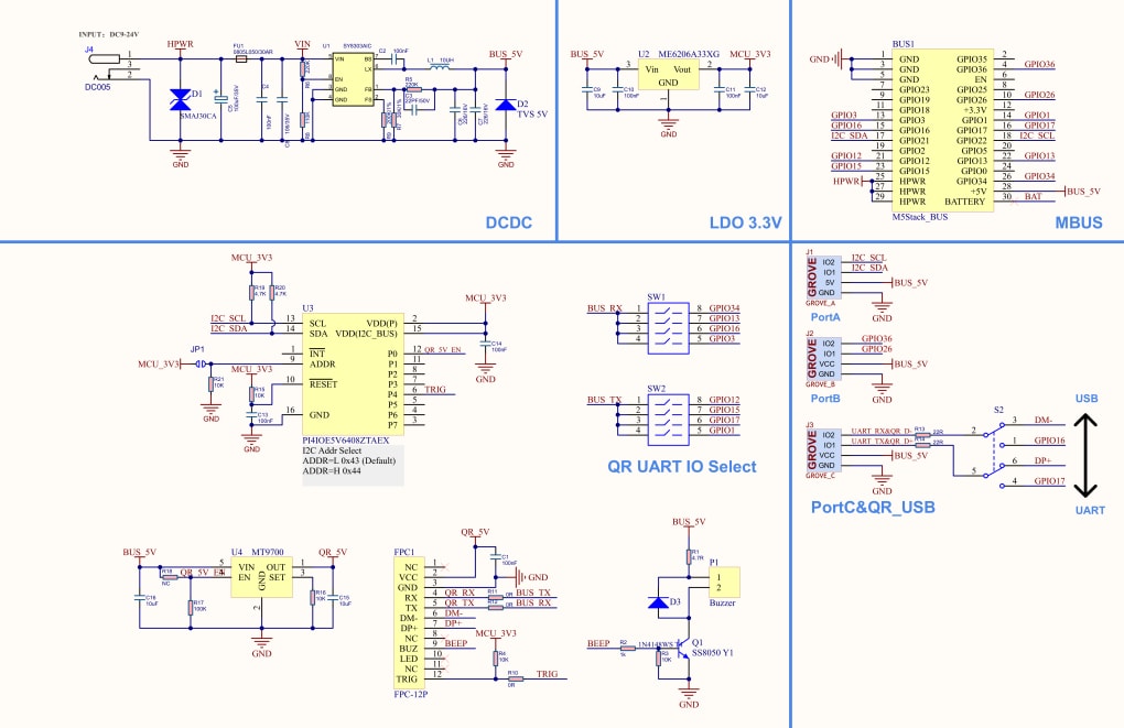
Schematic Diagram
Mechanical Diagram
Additional Resources
Videos
Inilathala: 2025-09-11
| Na-update: 2025-10-16
