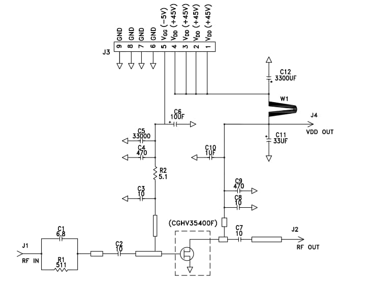
The MACOM CGHV35400F1-AMP Evaluation Board comes with the CGHV35400F HEMT installed.
Features
- 2.9GHz to 3.5GHz operation
- 500W typical output power
- 11dB power gain
- 70% typical drain efficiency
- 50Ω internally matched
- <0.3dB pulsed amplitude droop
Application Circuit
Inilathala: 2021-09-12
| Na-update: 2024-01-17

