MaxLinear MxL8321x-ADA-EVK Evaluation Kits
MaxLinear MxL8321x-ADA-EVK Evaluation Kits provide a platform to evaluate the performance and features of the MxL8321x RS-485/422 transceivers. The MxL8321x transceivers support up to 50Mbps communication in extreme industrial environments. These transceivers feature 1/8 unit load, low-power shutdown mode, glitch-free power-up/down hot plug capability, and 24mA maximum receiver output current. The MxL8321x transceivers are used in smart grids, process control equipment, high-performance motor drives, and industrial transports.Features
- MxL8321x transceivers:
- Meets or exceeds the TIA/EIA-485A standard requirements
- Glitch-free power-up/down hot plug capability
- Improved failsafe protection for open, short, and idle conditions
- 3V to 5.5V supply voltage range
- MxL8321x-ADA-EVK:
- Provide a platform to evaluate the performance of the MxL8321x transceivers
Applications
- Smart grids
- Process control equipment
- High-performance motor drives
- Industrial transports
- BBU and RRU telecom equipment
- Industrial and single-board computers
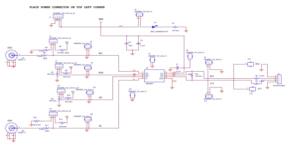
Schematic Diagram
Inilathala: 2024-09-03
| Na-update: 2024-09-08
